STMicroelectronics Reguladores de tensión de caída baja LDK120P DFN-6L
Los reguladores de tensión de caída baja LDK120P DFN-6L de STMicroelectronics proporcionan una corriente máxima de 200 mA a partir de una tensión de suministro de entrada de entre 1,9 V y 5,5 V, con una tensión de desconexión típica de 100 mV. Se estabilizan con un condensador cerámico en la salida. Sus características de tensión de caída muy baja, corriente inactiva baja y muy poco ruido los convierten en la opción adecuada para aplicaciones de batería de bajo consumo. Una función de activación de control lógico coloca al LDK120P en el modo de apagado, lo que permite un consumo total de corriente inferior a 1 μA. El dispositivo también incluye protección térmica y limitación de corriente constante frente a cortocircuitos.Características
- Input voltage from 1.9V to 5.5V
- Very low dropout voltage (100mV typ. at 100mA load)
- Low quiescent current (max. 100μA, 1μA in OFF mode)
- Very low noise
- Output voltage tolerance: ± 2.0% @ 25°C
- Wide range of fixed output voltages available on request: from 0.8V to 3.5V with 100mV step
- 200mA guaranteed output current
- Adjustable version: from 0.8V to VIN to Vdrop
- Logic-controlled electronic shutdown
- Compatible with ceramic capacitor COUT = 1μF
- Internal current and thermal limit
- Temperature range: -40°C to +125°C
Aplicaciones
- Smartphones
- Tablets
- Cordless phones and similar battery-powered systems
- Digital still cameras
Block Diagram
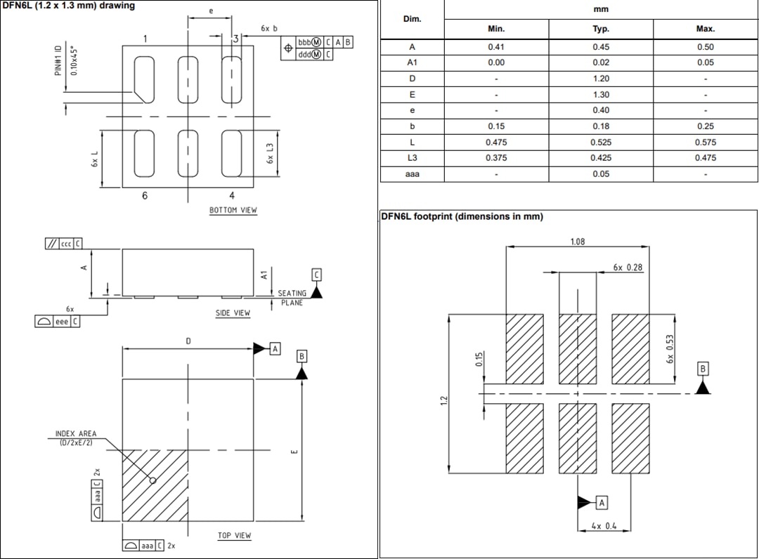
Package Outline
Publicado: 2014-04-18
| Actualizado: 2022-03-11
