STMicroelectronics Reguladores de tensión de caída baja LDK130P DFN-6L
Los reguladores de tensión de caída baja LDK130P DFN-6L de STMicroelectronics proporcionan una corriente máxima de 300 mA a partir de una tensión de suministro de entrada de entre 1,9 V y 5,5 V, con una tensión de desconexión típica de 100 mV. Se estabiliza con un condensador cerámico en la salida. Sus características de tensión de caída muy baja, corriente inactiva baja y muy poco ruido los convierten en la opción adecuada para aplicaciones de batería de bajo consumo. Una función de activación de control lógico coloca al LDK130P en el modo de apagado, lo que permite un consumo total de corriente inferior a 1 μA. El dispositivo también incluye protección térmica y limitación de corriente constante frente a cortocircuitos.Características
- Input voltage from 1.9V to 5.5V
- Very low dropout voltage (100mV typ. at 100mA load)
- Low quiescent current (max. 120μA, 1μA in OFF mode)
- Very low noise
- Output voltage tolerance: ± 2.0% @ 25°C
- 300mA guaranteed output current
- Wide range of fixed output voltages available on request from 0.8V to 3.5V with 100mV step
- Adjustable version: from 0.8V to VIN to Vdrop
- Logic-controlled electronic shutdown
- Compatible with ceramic capacitor COUT = 1μF
- Internal current and thermal limit
- Temperature range: -40°C to +125°C
Aplicaciones
- Smartphones
- Tablets
- Cordless phones and similar battery-powered systems
- Digital still cameras
Block Diagram
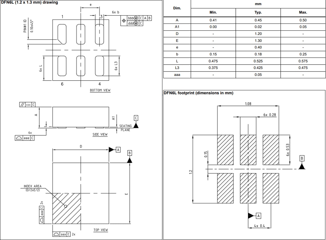
Package Outline
Publicado: 2014-04-21
| Actualizado: 2024-04-23
