Vishay IHXL1100OZ Through-Hole Inductors

Vishay IHXL1100OZ Through-Hole Inductors are available in standard commercial and automotive designs, depending on the model. These inductors feature a radial design, magnetically shielded construction, a 10% inductance tolerance, and a high-temperature rating of up to +155°C. The IHXL1100OZ inductors handle high transient current spikes without saturation and have a flat surface for mounting a heat sink or active cooling cold plates. Vishay IHXL1100OZ Through-Hole Inductors are suitable for switching regulators, in-line noise filters, differential mode chokes, and DC/DC converters.

Features

  • AEC-Q200 qualified (IHXL1100OZ-3A model only)
  • Magnetically shielded construction
  • Flat surface for mounting heat sink or active cooling cold plate
  • Handles high transient current spikes without saturation

Applications

  • Automotive high current filters (IHXL1100OZ-3A model only)
  • High current filters
  • Switching regulators
  • In-line noise filters
  • Differential mode choke
  • Boost power factor correction choke
  • 12V, 24V, 48V DC/DC converters
  • High-current battery charging

Specifications

  • 1µH to 10µH inductance range
  • 0.28mΩ to 2.35mΩ DCR range
  • 41A to 191A heat rating current range
  • 35A to 149A saturation current range
  • 10% inductance tolerance
  • -55°C to +155°C operating temperature range

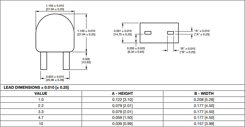
Dimensions

Chart - Vishay IHXL1100OZ Through-Hole Inductors
Publicado: 2024-10-02 | Actualizado: 2024-10-14