Vishay Semiconductors TELUX Series LEDs
Vishay Semiconductors TELUX Series LEDs are clear, non-diffused LEDs, available in a full range of colors for applications where a wide viewing angle and high luminous flux are required. They are designed in an industry-standard 7.62mm square package utilizing highly developed InGaN and AllnGaP technology. The supreme heat dissipation of TELUX allows applications at high ambient temperatures. All packing units are binned for luminous flux, forward voltage, and color to achieve the most homogenous light appearance in application. SAE and ECE color requirements for automobile applications are available for red TELUX LEDs. Vishay Semiconductors TELUX is designed for rough applications that require high luminous intensity. These include automotive applications such as brake lights, taillights, and turn signals. It also includes outdoor applications such as traffic signals, message panels, and warning lights.Features
- High luminous flux
- Rugged construction
- Wide viewing angle
- Meets SAE and ECE color requirements for the automobile industry for the color red
- Packed in tubes for automatic insertion
- Luminous flux, forward voltage, and color categorized for each tube
- Small mechanical tolerances allow precise usage of external reflectors or light guides
Specifications
- Supreme heat dissipation
- RthJP = 90K/W
- High operating temperature
- Tamb = -40ºC to +110ºC
- Compliant to RoHS Directive 2002/95/EC and in accordance to WEEE 2002/96/EC
- Compatible with wave solder processes according to CECC 00802 and J-STD-020
- ESD-withstand voltage: up to 2kV according to JESD22-A114-B
- AEC-Q101 qualified
Applications
- Exterior lighting
- Dashboard illumination
- Automotive (brake lights, taillights, and turn signals)
- Replaces small incandescent lamps
- Traffic signals and signs
- Outdoor message panels and warning lights
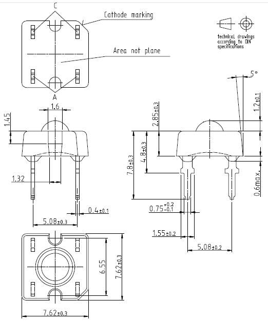
Package Dimensions (mm)
Additional Resource
Publicado: 2012-08-06
| Actualizado: 2025-01-23
