TRACO Power TIB-BCMU Battery Controller Module
TRACO Power TIB 240-124-BCMU is a 240W Battery Controller Module designed to turn existing AC/DC power converters into fully functional uninterruptible power supply solutions. TRACO Power TIB-BCMU is powered by an integrated microprocessor, the battery controller module ensures that the 24VDC connected lead-acid batteries maintain a full charge. The device performs periodic impedance measurements to alert the user in case of a rare battery failure or an accidental disconnection. During battery backup operation, the internal DC/DC power conversion stage keeps the output voltage constant. Battery terminals are protected with a user-serviceable 15A blade-type fuse. TRACO TIB-BCMU includes EN/IEC/UL 61010-1 certification for measurement, laboratory, and control equipment and EN 62040-1 for uninterruptible power supplies.Features
- Compact metal enclosure with DIN-rail mount
- Uninterruptible power supply function
- For use with 24V lead-acid batteries
- Constant output voltage
- Efficiency
- >96% during battery operation
- >98% during pass-through operation
- Integrated EN 55011 class B EMI filter
- Battery OK, input OK, and output OK signals
- Short-circuit, reverse-polarity, overload, and deep-discharge protection
- Three-year warranty
Applications
- Measurement equipment
- Lab equipment
- Control equipment
- Uninterruptible power supplies
Specifications
- 24VDC nominal input voltage
- 10A maximum output current
- 240W maximum power
- 24V lead-acid backup battery pack
Videos
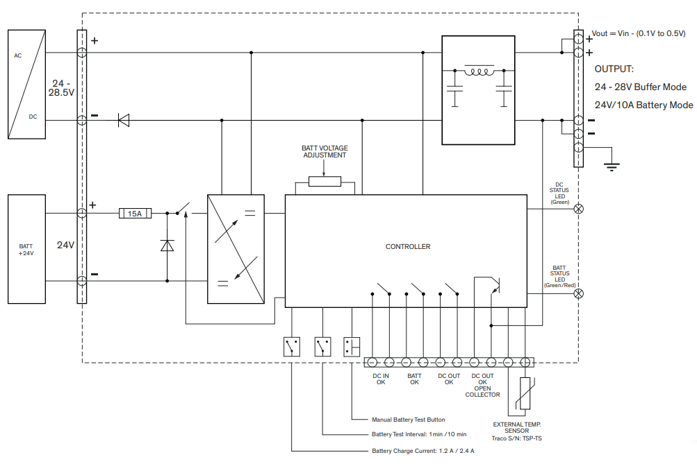
Block Diagram
Publicado: 2023-01-04
| Actualizado: 2023-03-20
