TRACO Power TEP 40/60UIR 12:1 Input Range DC/DC Converters
TRACO Power TEP 40UIR 40W and TEP 60UIR 60W DC/DC Converters are high-performance railway and industrial DC/DC converters with an ultra-wide 12:1 input voltage range covering 9VDC to 75VDC or 14VDC to 160VDC, in a compact quarter-brick 2.3" x 1.45" x 0.5" metal package. The ultra-wide input enables the converters to act as an all-in-one solution if different input voltage ranges must be covered in the same application. This feature resolves the issue of having multiple different converters installed. An internal circuit implemented in these modules helps to extend the hold-up time with ease, eliminating the need for high-voltage capacitors to cover the full input range. The whole input range can be covered effectively with only a 25V capacitor (independent of the input voltage).TRACO Power TEP 40UIR 40W and TEP 60UIR 60W DC/DC Converters offer high efficiency up to 91%, operating temperature range of -40°C to +75°C (TEP 60UIR) or +85°C (TEP 40UIR), adjustable output voltage, and an I/O-isolation voltage of 3000VAC. The converters are approved for railway applications, according to EN 50155, EN 61373, and EN 45545-2 as well as IEC/EN/UL 62368-1 approval.
Features
- Output power
- 40W (TEP 40UIR)
- 60W (TEP 60UIR)
- 12:1 input voltage range
- 9VDC to 75VDC
- 14VDC to 160VDC
- 2.3" x 1.45" x 0.5" standard package (quarter brick)
- Bus pin to easily extend hold-up time
- EN 50155 and EN 61373 approval for railway applications
- Qualification for fire behavior, according to EN 45545-2
- IEC/EN/UL 62368-1 approval
- Operating temperature range
- -40°C to +75°C (TEP 60UIR)
- -40°C to +85°C (TEP 40UIR)
- 3000VAC I/O isolation
- Up to 91% efficiency
- Adjustable output voltage, remote On/Off, and adjustable undervoltage lockout
- Three-year product warranty
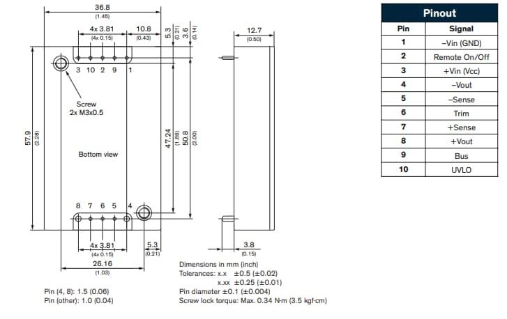
Outline Dimensions
Videos
Optional Heat Sinks
TRACO Power TEP-HS2 and TEP-HS4 Heat Sinks are designed for 40UIR and 60UIR DC/DC Converters. The heat sinks feature fins that run across the width or length of the TEP module.
Publicado: 2020-06-26
| Actualizado: 2025-08-13
