Texas Instruments UCC14340-Q1 Automotive Isolated DC/DC Module

Texas Instruments UCC14340-Q1 Automotive Isolated DC/DC Module offers high isolation and is created to deliver power to IGBT or SiC gate drivers. The UCC14340-Q1 incorporates a transformer and DC/DC controller with a proprietary architecture to accomplish high efficiency with very low emissions. The high-accuracy output voltages supply higher system efficiency and does not over-stress the power device gate.

The fully integrated TI UCC14340-Q1 module with on-chip device protection requires minimum external components and includes on-chip device protection and extra features. These features for the device include input under-voltage lockout, output voltage power good comparators, over-voltage lockout, overtemperature shutdown, soft-start timing, adjustable isolated positive and negative output voltage, an open-drain output power good pin, and enable pin.

Features

  • High-density isolated DC/DC module with integrated transformer
  • Isolated DC/DC for driving with IGBTs, SiC FETs
  • Input voltage range of 13.5V to 16.5V with 32V absolute maximum
  • 1.5W output power for 13.5V < VVIN < 16.5V, at TA ≤ 105°C
  • Adjustable single or dual output voltages (using resistors) with <±1.3% regulation accuracy over the full operating range
  • Low electromagnetic emission with spread spectrum modulation and integrated transformer design
  • Enable, Power Good, UVLO, OVLO, soft-start, short-circuit, power-limit, under-voltage, overvoltage, and over-temperature protection
  • CMTI >150kV/µs
  • AEC-Q100 qualified for automotive applications
    • Temperature grade 1 of -40°C ≤ TJ ≤ 150°C
    • Temperature grade 1 of -40 °C ≤ TA ≤ 125°C
  • Functional safety-capable documentation available to aid functional safety system design
  • Planned safety-related certifications
    • 5657VPK basic isolation per DIN EN IEC
    • 60747-17 (VDE 0884-17)–3000VRMS isolation for 1 minute per UL 1577
    • Basic insulation per CQC GB4943.1
  • 36-pin, wide SSOP package

Applications

  • Hybrid, electric, and power train systems (EV/HEV)
    • Inverter and motor control
    • On-board (OBC) and wireless charger
    • DC/DC converter
  • Industrial transport
    • Off-highway vehicle's electric drive
  • Grid infrastructure
    • EV charging station power module
    • DC charging (pile) station
    • String inverter
  • Motor drives
    • AC Inverters and VF Drives, Robot servo drive

Device Comparison Table

Chart - Texas Instruments UCC14340-Q1 Automotive Isolated DC/DC Module

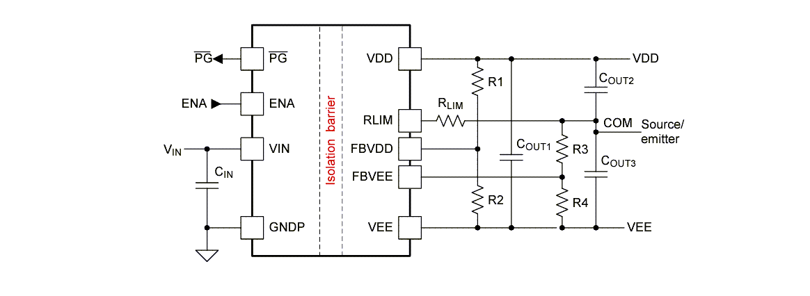
Simplified Application

Application Circuit Diagram - Texas Instruments UCC14340-Q1 Automotive Isolated DC/DC Module

Typical Power-up Sequence

Performance Graph - Texas Instruments UCC14340-Q1 Automotive Isolated DC/DC Module

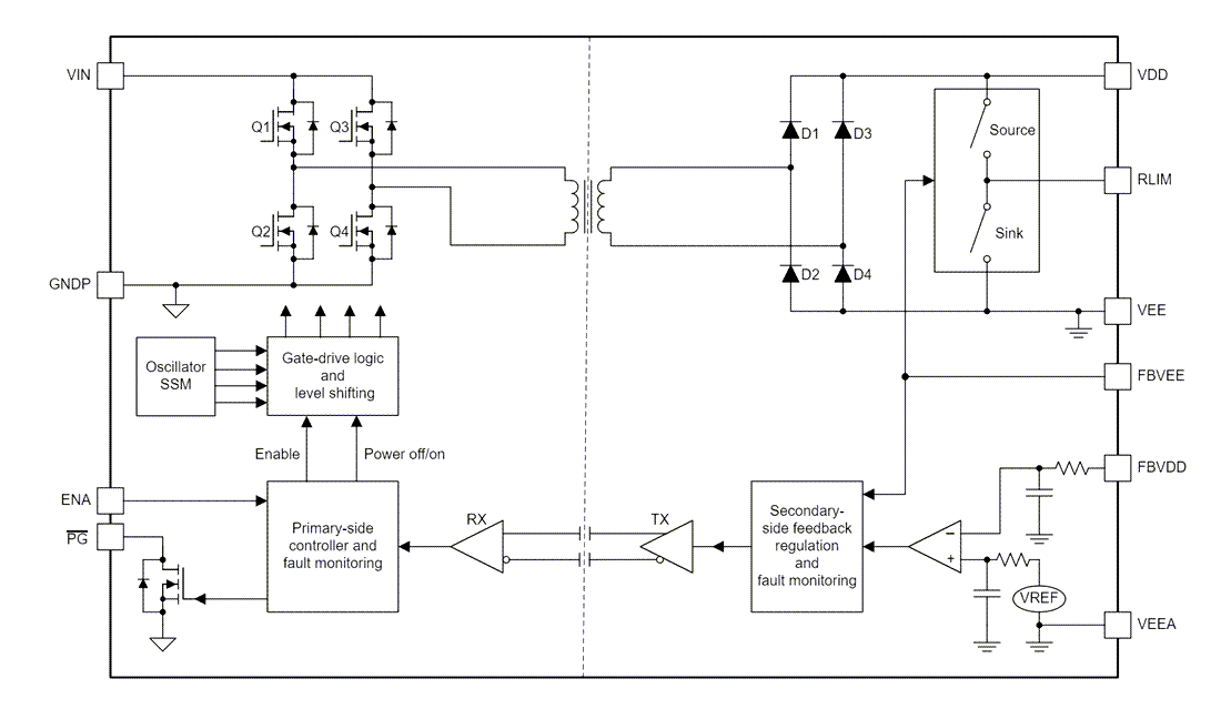
Functional Block Diagram

Block Diagram - Texas Instruments UCC14340-Q1 Automotive Isolated DC/DC Module
Publicado: 2024-03-11 | Actualizado: 2025-03-06