Texas Instruments Adaptador de nivel de tensión de 4 bits TXB0304
El adaptador de nivel de tensión bidireccional de 4 bits TXB0304 de Texas Instruments con detección automática de dirección utiliza dos carriles independientes y configurables para la alimentación de energía. Este dispositivo de TI ofrece tensiones de alimentación totalmente simétricas de 0,9 V a 3,6 V en los puertos A y B. El adaptador de nivel de tensión TXB0304 de TI cuenta con una función de aislamiento de VCC que coloca todas las salidas en estado de impedancia alta si cualquiera de las entradas de VCC se encuentra en GND. El TXB0304 de TI ofrece un consumo energético reducido de 5 µA máx. (ICCA o ICCB). Los circuitos IOFF permiten el funcionamiento del dispositivo en modo de apagado parcial.Características
- Fully Symmetric Supply Voltages. 0.9V to 3.6V on A Port and 0.9V to 3.6V on B Port
- VCC Isolation Feature - If Either VCC Input Is at GND, All Outputs Are in the High-Impedance State
- OE Input Circuit Referenced to VCCA
- Low Power Consumption, 5µA Max (ICCA or ICCB)
- IOFF Supports Partial-Power-Down Mode Operation
- Latch-Up Performance Exceeds 100mA Per JESD 78, Class II
- ESD Protection Exceeds JESD 22
- 8000-V Human-Body Model (A114-B)
- 1000-V Charged-Device Model (C101)
Aplicaciones
- Personal Electronics
- Industrial
- Enterprise
- Telecom
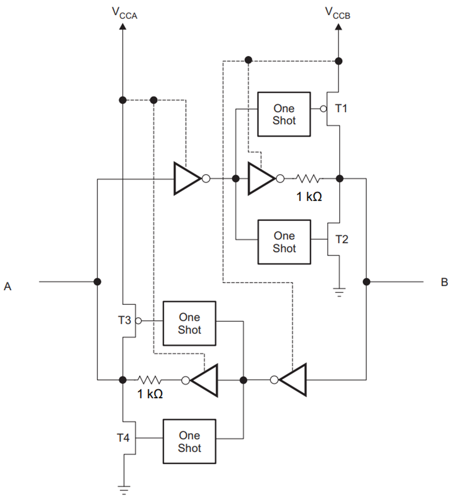
Functional Block Diagram
Publicado: 2012-03-01
| Actualizado: 2022-03-11
