Texas Instruments TPS62893-Q1 Step-Down DC/DC Converter

Texas Instruments TPS62893-Q1 Step-Down DC/DC Converter is a synchronous converter with an I2C interface and differential remote sense. This DC/DC converter can operate in stacked mode to deliver higher output currents or to spread the power dissipation across multiple devices. The TPS62893-Q1 converter implements a fixed-frequency DCS-control scheme with adjustable switching frequency and adjustable loop compensation. This DC/DC converter is available in a 5.0mm x 6.0mm VQFN package. The TPS62893-Q1 device is AEC-Q100 qualified for automotive applications. This converter is ideal for ADAS sensor fusion, surround view ECU, hybrid and reconfigurable cluster, and head unit, telematics control unit

Features

  • AEC-Q100 qualified for automotive applications:
    • -40°C to 125°C TA device temperature grade 1
    • -40°C to 150°C junction temperature range
  • Functional safety-capable documentation is available to aid in functional safety system design
  • 2.8V to 6V input voltage range
  • ±0.5% output voltage accuracy
  • 0.4V to 1V output voltage range
  • 1.8mΩ and 0.7mΩ internal power MOSFETs
  • External compensation
  • Optional stacked operation for increased output current capability
  • Adjustable switching frequency from 833kHz to 3MHz (product preview)
  • External synchronization
  • Forced PWM or power save mode operation
  • Optimized load transient operation
  • Fixed frequency DCS-control
  • Transient non-synchronous mode
  • Adjustable droop compensation
  • Optimized for small and low-profile inductors
  • I2C compatible interface with up to 3.4MHz
  • Differential remote sensing
  • Thermal pre-warning and thermal shutdown
  • Input and output overvoltage protection
  • Output discharge
  • Optional spread-spectrum clocking
  • Telemetry for VIN, Temp, VOUT, and IOUT 
  • Interrupt output
  • Power-good output with a window comparator with adjustable thresholds
  • Available in a 5.0mm x 6.0mm VQFN package

Applications

  • ADAS sensor fusion
  • Surround view ECU
  • Hybrid and reconfigurable cluster
  • Head unit and telematics control unit

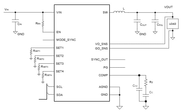
Schematic

Schematic - Texas Instruments TPS62893-Q1 Step-Down DC/DC Converter
Publicado: 2025-09-29 | Actualizado: 2026-02-03