Texas Instruments TPS54A24 SWIFT™ Step-Down Converters

Texas Instruments TPS54A24 SWIFT™ Step-Down Converters are optimized for a small solution through high efficiency and integrating high- and low-side MOSFETs. Peak-current-mode control achieves further space savings by reducing component count and selecting a high switching frequency, reducing the inductor footprint. Additionally, the peak-current-mode control simplifies the loop compensation and provides a fast transient response.

A dedicated EN pin can be used to control the regulator on/off and adjust the input under-voltage lockout. The output voltage startup ramp is controlled by the SS/TRK pin, which allows operation as either a standalone power supply or in tracking situations. The Texas Instruments TPS54A24 SWIFT™ Step-Down Converter is available in a standard 4mm × 4mm WQFN package.

Features

  • Standard 4mm × 4mm WQFN package
  • –40°C to +150°C Operating junction temperature
  • 200kHz to 1.6MHz Fixed switching frequency
  • Peak-current-mode control
  • Synchronizes to an external clock
  • 0.6V Voltage reference ±0.85% over temperature
  • 0.6V to 12V Output voltage range
  • Safe startup into pre-biased output voltage
  • Hiccup current limit
  • Adjustable soft start and power sequencing
  • Adjustable input undervoltage lockout
  • Power-good output monitor for undervoltage and overvoltage
  • 3µA Shutdown current
  • Output overvoltage protection
  • Non-latch thermal shutdown protection

Applications

  • Wired networking (switches)
  • Wireless infrastructure
  • Test and measurement
  • Medical imaging equipment
  • Power for FPGAs, SoCs, DSPs, and processors

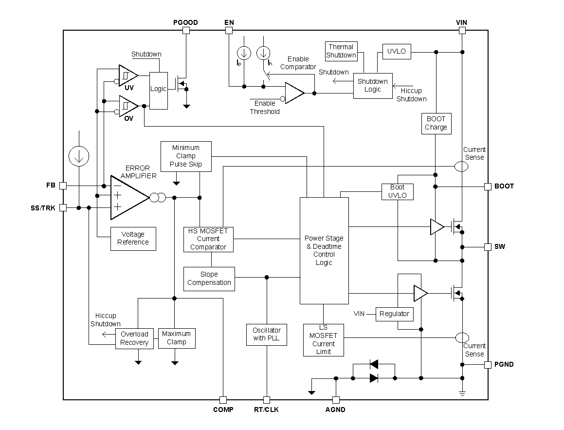
Block Diagram

Block Diagram - Texas Instruments TPS54A24 SWIFT™ Step-Down Converters
Publicado: 2019-08-01 | Actualizado: 2023-10-16