Texas Instruments Convertidor de tipo Buck síncrono TPS544x20
Los convertidores de tipo Buck síncronos TPS544x20 de Texas Instruments son convertidores CC-CC de alto rendimiento, de 20 A y 30 A, con dos MOSFET de potencia NexFET™ de canal N integrados. Estos dispositivos implementan el control de modo D-CAP y D-CAP2 propietario de TI que proporciona avance de tensión de entrada natural y respuesta transitoria rápida con un amplificador de error de precisión y un amplificador de detección remota diferencial de baja compensación para obtener una regulación de tensión de salida precisa con mínima compensación externa. La capacidad de prepolarización monotónica elimina preocupaciones acerca de cargas sensitivas perjudiciales. La capacidad PMBus integrada proporciona monitorización de corriente, tensión y temperatura en la placa, así como numerosas opciones de configuración programables por el usuario y escalado de tensión adaptativo (AVS) y pruebas del margen de tensión de salida.Características
- PMBus-enabled converters: 20A, 30A
- 4.5V to 18V input, 0.6V to 5.5V Output
- 5mm × 7mm LQFN package with 0.5mm pitch
- Single thermal pad
- Integrated 4.5mΩ and 2.0mΩ stacked NexFET power stage
- 600mV, 0.5% reference
- Lossless, low-side MOSFET current sensing
- Selectable D-CAP and D-CAP2 mode control
- Differential remote sensing
- Monotonic start-up into pre-biased output
- Output voltage margin and trim
- Output voltage and output current reporting
- External temperature monitoring with 2N3904
- Thermal shutdown
- Pin compatible 20A, 30A converters
- Programmable via PMBus
- Overcurrent protection
- UVLO, soft-start
- PGOOD, OV, UV, OT levels
- Fault responses
- Turn-on and turn-off delays
Aplicaciones
- Test and instrumentation
- Ethernet switches, optical switches, routers, base stations
- Servers
- Enterprise storage SSD
- High-density power solutions
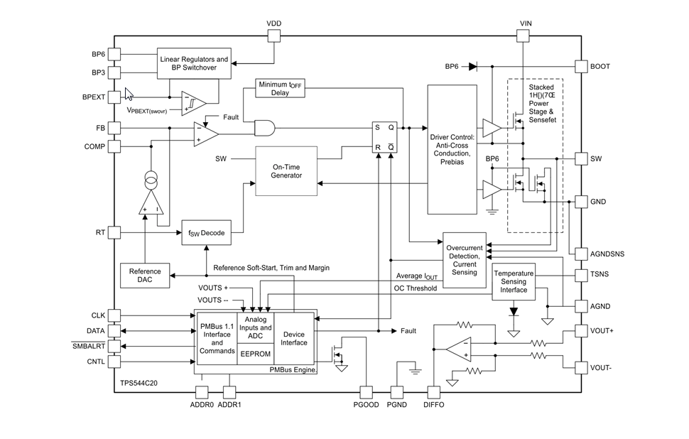
Block Diagram
Publicado: 2014-08-21
| Actualizado: 2022-03-11
