Texas Instruments TPS51388 12A Synchronous Buck Converter
Texas Instruments TPS51388 12A Synchronous Buck Converter has integrated MOSFETs that enable high efficiency and offer ease of use with minimum external component count for space-conscious power systems. The TPS51388 employs a D-CAP3 control mode that provides excellent line and load regulation and fast transient response with internal compensation. The ULQ extended battery life feature greatly benefits long battery life in low-power operation. The large-duty operation dramatically improves the load transient performance when the input voltage is low.The EN pin can be used to set Eco-mode or Out-of-Audio (OOA) mode for light-load operation. Eco-mode maintains high efficiency during light-load operation, while OOA mode keeps the switching frequency above audible frequency with minimum efficiency reduction. The EN pin can be toggled dynamically, even when the converter is in operation.
The Texas Instruments TPS51388 provides an output discharge function and integrates a power-good indicator. It offers complete protection and includes OVP, UVP, OCP, OTP, and UVLO. The device is available in a 13-pin, 3.0mm × 4.0mm HotRod package, and the junction temperature is specified from –20°C to 125°C.
Features
- 4.5V to 24V input voltage range
- 0.6V to 5.5V output voltage
- Integrated 9.2mΩ and 4.5mΩ FETs
- Support 12A continuous output current
- 90uA low quiescent current
- ± 1.0% reference voltage accuracy (25°C)
- D-CAP3™ control mode architecture control for fast transient response
- Support POSCAP and all MLCC output capacitor
- Selectable Eco-mode and Out-of-Audio™ mode with dynamic change
- ULQ™ extended battery life during system standby
- Built-in output discharge function
- Integrated power-good indicator
- 600kHz and 1MHz selectable switching frequency
- Fixed 1.0ms soft-start time
- Large duty cycle operation
- Cycle-by-cycle overcurrent and negative overcurrent protection
- Latched output OV and UV protections
- Non-latched UVLO and OT protections
- -20°C to 125°C operating junction temperature
- 13-pin 3.0mm x 4.0mm HotRod™ VQFN package
Applications
- Notebook and PC computers
- Ultrabook, handheld tablet computers
- Industrial PC, single-board computers
- Non-military drone
- Distributed power systems
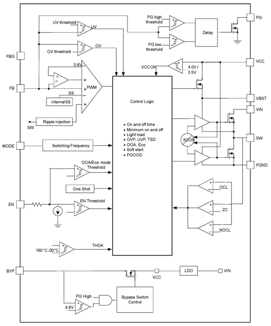
Block Diagram
Publicado: 2024-10-25
| Actualizado: 2024-11-20
