Texas Instruments eFuse TPS25200 de 5 V
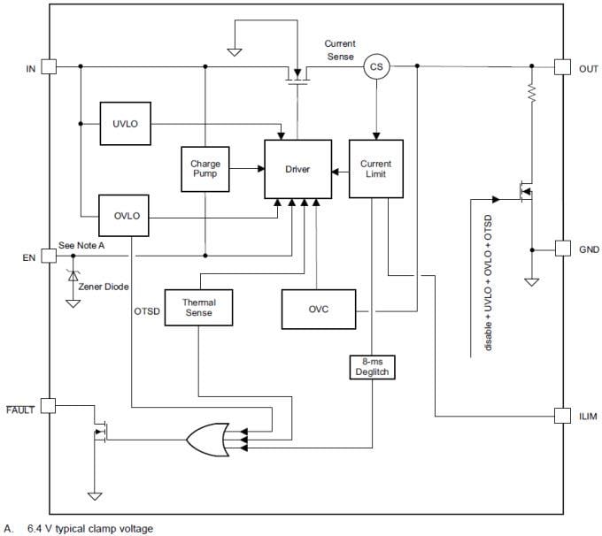
eFuse de 5 V TPS25200 de Texas Instruments es un eFuse con límite de corriente de precisión y de sobretensión. El dispositivo proporciona protección robusta para carga y fuente durante los eventos de sobretensión y sobreintensidad de corriente. El TPS25200 es un interruptor inteligente de carga protegida con VIN tolerante a 20 V. En caso de que se aplique un voltaje incorrecto en IN, la salida se mantendrá a 5,4 V para proteger la carga Si la tensión en IN supera los 7,6 V, el dispositivo desconecta la carga para evitar daños en el dispositivo y/o la carga. El TPS25200 tiene un interruptor de potencia interna de 60 mΩ y está destinado a proteger la fuente, el dispositivo y la carga bajo una variedad de condiciones anormales. El dispositivo proporciona hasta 2,5 A de corriente continua de la carga. El límite de corriente es programable de 85 mA a 2,9 A con una sola resistencia a tierra. Durante los eventos de sobrecarga, la corriente de salida es limitado al nivel fijado por RILIM. Si se produce una sobrecarga persistente, el dispositivo entrará finalmente en un cierre térmico para evitar daños a la TPS25200The current limit is programmable from 85mA to 2.9A for TPS25200 and to 2.7A for TPS25200-Q1 with a single resistor to ground. During overload events, the output current is limited to the level set by RILIM. If a persistent overload occurs, the device will eventually go into thermal shutoff to prevent damage to the TPS25200/TPS25200-Q1. The Texas Instruments TPS25200-Q1 devices are AEC-Q100 qualified for automotive applications.
Características
- 2.5V to 6.5V operation
- Input withstands up to 20V
- 7.6V input overvoltage shutoff
- 5.25V to 5.55V fixed overvoltge clamp
- 0.6µs overvoltage lockout response
- 3.5µs short circuit response
- Integrated 60mΩ high-side MOSFET
- Up to 2.5A continuous load current
- ±6% current-limit accuracy at 2.9A
- Reverse current blocking While disabled
- Built-in soft start
- Pin-to-Pin compatible with TPS2553
Aplicaciones
- USB power switches
- USB slave devices
- Smartphones
- 3G, 4G wireless data cards
- Solid State Drives (SSD)
- 3V or 5V adapter powered devices
Datasheets
Functional Block Diagram
Development Tool
Publicado: 2014-09-09
| Actualizado: 2022-03-11
