Texas Instruments TLIN1431x-Q1 Automotive LIN SBCs
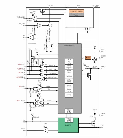
Texas Instruments TLIN1431x-Q1 Automotive LIN SBCs are a local interconnect network (LIN) system basis chip (SBC) that incorporates a watchdog, high-side switch, limp home capability, and highly configurable WAKE input pin. The TLIN1431x-Q1 self-determines the control method, pin or serial peripheral interface (SPI), at power up. The watchdog defaults to a window watchdog for both control methods. For flexibility, the TI TLIN1431x-Q1 can be configured as a window or timeout watchdog with greater than 20 different time windows when SPI control is used. The LIN transceiver offers a 200kbps fast mode for end-of-line programming. A high-side switch with diagnostic capability is included for onboard LED. The highly configurable WAKE pin is able to be used with the high-side switch for cyclic sensing, lowering the ECU sleep current. The WKRQ/INH pin can be configured for a digital wake output (WKRQ) or a VSUP based inhibit (INH) enable pin for an external supply.Features
- AEC-Q100 (Grade 1): Qualified for automotive applications
- Functional safety-capable
- Documentation available to aid functional safety system design
- Enhanced features supporting 12V applications
- ±58V LIN bus fault protection
- 3.3V (TLIN14313-Q1) or 5V (TLIN14315-Q1) LDO output supporting 125mA from 12V supply
- High-side switch with open load and short circuit detection controlled by 10-bit PWM or timer
- LIMP pin configurable as a high-side switch
- Configurable WAKE pin supporting different input thresholds or methods
- Sleep mode with ultra-low current consumption allows wake-up events from:
- LIN bus
- Local wake-up through WAKE
- Cyclic and static sensing
- Local interconnect network (LIN) physical layer specification LIN 2.2A, ISO 17987–4:2016 and SAE J2602:2021 compliant
- Integrated watchdog supervisor configurable by pin or serial peripheral interface, SPI
- Protection Features:
- ESD protection
- Under voltage protection on VSUP and VCC
- TXD dominant time out (DTO) protection
- Thermal shutdown protection
- Integrated battery voltage monitor
- Available in leadless QFN (20) package with improved automated optical inspection (AOI) capability
Applications
- Body electronics and lighting
- Hybrid, electric, and powertrain systems
- Infotainment and cluster
- Appliances
SPI Control Simplified Schematic
Pin Control Simplified Schematic
High Level Block Diagram
Publicado: 2023-01-20
| Actualizado: 2023-03-17
