![]() |
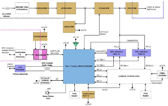
Controlador de frontal de módulo E/S PLC de TI que utiliza un Tiva™ CEste diseño de TI implementa el MCU serie Tiva™ C como un controlador de frontal para la suite de TI de placas de diseño de referencia de módulo de E/S analógico y digital de controlador de lógica programable (PLC). El diseño incluye conectores para establecer interfaces y controlar simultáneamente dos placas de diseño de referencia de diseño de TI. De esta forma se consigue máxima versatilidad mediante la máxima flexibilidad de combinación de las placas de E/S para módulos de entrada o salida, analógicos o digitales. El sistema controlador identifica y configura automáticamente cada placa de E/S aproximadamente, realizando el ajuste de cualquier compensación necesaria de la circuitería analógica. Se incluyen fuentes de alimentación en la placa para alimentar la placa del controlador y proporcionar alimentación aislada a ambas placas de E/S para eliminar la necesidad de utilizar múltiples fuentes de alimentación externas. Se proporciona circuitería adicional que optimiza la adquisición de señales de E/S y la velocidad de datos para permitir adquisición de datos 1-MSPS completa y rendimiento SPI bus de 20 MHz. Este diseño también funciona como una plataforma de evaluación para cada una del as placas de E/S, analizando el rendimiento de varios parámetros clave y retransmitiendo los resultados a un PC a través de un conector USB 2.0 en la placa. El diseño incluye una interfaz gráfica de usuario de fácil uso que ejecuta un programa de análisis basado en LabView™ que facilita la evaluación integral de los diseños de referencia de E/S. La GUI ofrece numerosas opciones para la configuración de parámetros de prueba, así como opciones de filtrado y configuración que permiten el análisis integral de placas de módulos de E/S individuales. Se suministra la documentación completa y los archivos de diseño de la plataforma. |
|
Características
Recursos adicionales
|
Diagramas de bloques interactivo ![]() |
![]() |
Publicado: 2019-09-09
| Actualizado: 2023-11-02




Guía de referencia 
