Texas Instruments Amplificador estéreo de clase D de 300 W TAS5630B
El amplificador estéreo de Clase D de 300 W TAS5630B de Texas Instruments es un dispositivo de entrada analógico de altas prestaciones con tecnología PurePath HD de retroalimentación de bucle cerrado integrada. El amplificador de Clase D TAS5630B de TI puede controlar un sistema estéreo de hasta 300 W en altavoces de 4 a 8 Ω desde una fuente de alimentación única de 50 V. La tecnología PurePath HD permite alcanzar niveles de rendimiento tradicionales de un amplificador AB (Características
- PurePath™ HD Enabled Integrated Feedback Provides:
- Signal Bandwidth up to 80kHz for High-Frequency Content From HD Sources
- Ultra-low 0.03% THD at 1W into 4Ω
- Flat THD at all Frequencies for Natural Sound
- 80dB PSRR (BTL, No Input Signal)
- > 100dB (A-weighted) SNR
- Click-and-Pop-Free Start-Up
- Multiple Configurations Possible on the Same PCB With Stuffing Options:
- Mono Parallel Bridge-Tied Load (PBTL)
- Stereo Bridge-Tied Load (BTL)
- 2.1 Single-Ended Stereo Pair and Bridge-Tied Load Subwoofer
- Quad Single-Ended Outputs
- Total Output Power at 10% THD+N
- 400W in Mono PBTL Configuration
- 300W per Channel in Stereo BTL Configuration
- 145W per Channel in Quad Single-Ended Configuration
- High-Efficiency Power Stage (>88%) With 60mΩ Output MOSFETs
Aplicaciones
- Mini Combo System
- AV Receivers
- DVD Receivers
- Active Speakers
Application Schematic
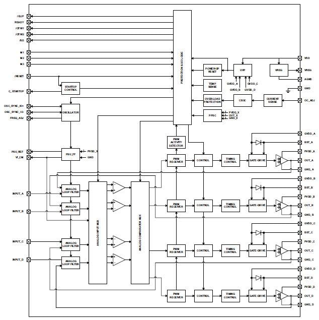
Functional Block Diagram
Publicado: 2012-03-19
| Actualizado: 2020-12-11
