Texas Instruments SN74AVC4T245/SN74AVC4T245-Q1 Bus Transceiver

Texas Instruments SN74AVC4T245/SN74AVC4T245-Q1 Dual-Bit Bus Transceiver uses two separate configurable power-supply rails. The A port is designed to track VCCA. VCCA accepts any supply voltage from 1.2V to 3.6V. The B port is designed to track VCCB. VCCB accepts any supply voltage from 1.2V to 3.6V. The SN74AVC4T245 / SN74AVC4T245-Q1 is optimized to operate with VCCA/VCCB set at 1.4V to 3.6V. It is operational with VCCA/VCCB as low as 1.2V. This feature allows universal low-voltage bidirectional translation between any of the 1.2V, 1.5V, 1.8V, 2.5V, and 3.3V voltage nodes.

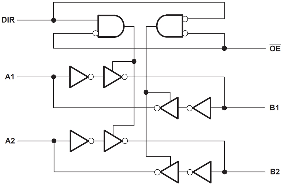
The Texas Instruments SN74AVC4T245/SN74AVC4T245-Q1 device is designed for asynchronous communication between two data buses. The logic levels of the direction-control (DIR) input and the output-enable (OE) input activate either the B-port outputs or the A-port outputs or place both output ports into the high-impedance mode. The device transmits data from the A bus to the B bus when the B-port outputs are activated and from the B bus to the A bus when the A-port outputs are activated. The input circuitry on both A and B ports is always active and must apply a logic HIGH or LOW level to prevent excess ICC and ICCZ. The Texas Instruments SN74AVC4T245-Q1 devices are AEC-Q100 qualified for automotive applications.

Features

  • Control inputs VIH/VIL levels are referenced to VCCA voltage
  • A fully configurable dual-rail design allows each port to operate over the full 1.2V to 3.6V power-supply range
  • I/Os are 4.6V tolerant
  • Ioff supports partial power-down-mode operation
  • Maximum data rates
    • 380Mbps (1.8V to 3.3V translation)
    • 200Mbps (< 1.8V to 3.3V translation)
    • 200Mbps (translate to 2.5V or 1.8V)
    • 150Mbps (translate to 1.5V)
    • 100Mbps (translate to 1.2V)
  • Latch-up performance exceeds 100mA per JESD 78, Class II
  • ESD protection exceeds JESD 22
    • 8000V human-body model (A114-A)
    • 150V machine model (A115-A)
    • 1000V charged-device model (C101)

Applications

  • Personal electronics
  • Industrial
  • Enterprise
  • Telecom

Functional Block Diagram

Block Diagram - Texas Instruments SN74AVC4T245/SN74AVC4T245-Q1 Bus Transceiver
Publicado: 2019-01-31 | Actualizado: 2025-05-13