Texas Instruments RC4580 Audio Op-Amps

Texas Instruments RC4580 Audio Op-Amps are dual, 32V, 12MHz, low-noise amplifiers designed for audio applications like improving tone control. These op-amps offer low noise, high gain bandwidth, low harmonic distortion, and high output current. The RC4580 devices can be used as a headphone amplifier when high output current is required. These op-amps are pin and function-compatible with LM833, NE5532, NJM4558/9, and NJM4560/2/5 devices. The RC4580 audio op-amps operate at ±2V to ±18V wide voltage range where the device can also be used in low-voltage applications. These op-amps are ideal for audio preamplifiers, active filters, headphone amplifiers, and industrial measurement equipment.

Features

  • ±2V to ±18V operating voltage range
  • 0.8μVrms low noise voltage
  • 12MHz gain-bandwidth product
  • 0.0005% total harmonic distortion
  • 5V/μs slew rate
  • Drop-in replacement for NJM4580
  • Pin and function compatible with LM833, NE5532, NJM4558/9, and NJM4560/2/5 devices

Applications

  • Audio preamplifiers
  • Active filters
  • Headphone amplifiers
  • Industrial measurement equipment

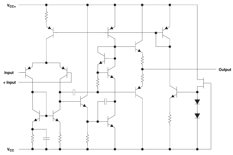
Functional Block Diagram

Block Diagram - Texas Instruments RC4580 Audio Op-Amps

Noninverting Amplifier Schematic

Schematic - Texas Instruments RC4580 Audio Op-Amps
Publicado: 2025-01-23 | Actualizado: 2025-02-21