Texas Instruments ADC de audio con frontal universal PCM186x
Los ADC de audio con frontal universal PCM186x de Texas Instruments ayudan a los diseñadores a integrar la Directiva europea de Ecodiseño en productos finales de alto rendimiento. Los ADC de audio PCM186x eliminan la necesidad de una fuente de alimentación de 5 V o de un amplificador externo de ganancia programable. De esta forma, los diseñadores desarrollen productos más pequeños e inteligentes. El frontal extremadamente flexible de la familia PCM186x admite niveles de entrada desde entradas pequeñas (mV) de micrófonos hasta entradas de línea de 2,1 VRMS sin necesidad de divisores externos con resistores. El PCM186x utiliza una única fuente de alimentación de 3,3 V para integrar numerosas funciones a nivel de sistema que ofrecen asistencia o reemplazan algunas funciones DSP. Una referencia de tensión de banda prohibida integrada proporciona excelente PSRR; por lo tanto, es posible que no se requiera un carril analógico dedicado de 3,3 V. Disponibles en versiones de 2 y 4 canales, estos ADC de audio de 110 dB son perfectos para sistemas de cine en casa y TV, altavoces Bluetooth® y procesadores de matrices de micrófonos.Características
- Universal analog mic input, 2.1VRMS full scale
- 8 analog inputs with MUX and PGA
- Analog pre-mix function before PGA/MUX
- Single-ended, Pseudo-differential or differential inputs with mic bias
- 4x digital microphone inputs
- Up to 4 mono ADC channels (PCM1865)
- Hardware control (PCM1861)
- I2C or SPI control (PCM1863/5)
- H/W programmable gain amplifier
- Fixed mic pre-gain select: 20dB, 32dB (analog)
- S/W programmable gain amplifier
- Integrated high-performance audio PLL
- Single 3.3V supply for analog and digital
- Additional 1.8V core and interface for lower power consumption
- Power dissipation at 3.3V: <85mW (PCM1861/3), <145mW (PCM1865)
- 'EnergySense' audio content detector - for auto system wakeup and sleep
- Master or slave audio interface:
- Mixer functionality:
- Digital mixer to mix ADC outputs and I2S synchronous inputs
- Zero crossing PGA gain changes
- Automatic PGA clipping suppression control
Aplicaciones
- Home theater and TV
- Automotive head units
- Bluetooth speakers
- Microphone array processors
Additional Resources
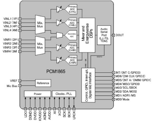
Functional Block Diagram
Simplified Diagram
Publicado: 2014-08-28
| Actualizado: 2022-03-11
