Texas Instruments Amplificador operacional con desviación cero OPA180
El amplificador operacional con desviación cero OPA180 de Texas Instruments usa técnicas de desviación del cero para proporcionar de forma simultánea un voltaje bajo de compensación (75 µV) y una desviación cerca de cero con el tiempo y la temperatura. Este amplificador en miniatura de baja corriente inactiva de 525 μA (máx.) y alta precisión ofrece una alta impedancia de entrada, ruido 1/f muy bajo y una oscilación de salida carril a carril dentro de los 18 mV de los carriles. El intervalo de modo común de entrada incluye el carril negativo. Especificado para un funcionamiento a entre -40 °C y 105 °C, el amplificador operacional con desviación cero OPA180 es adecuado para amplificadores de puente, calibradores de tensión, equipos de pruebas, aplicaciones de transductor, medición de temperatura, básculas electrónicas, instrumentación médica, detectores térmicos de registro y filtros activos de precisión.Características
- 75µV (max) Low Offset Voltage
- 0.1µV/°C Zero-Drift
- 10nV/√Hz Low Noise
- Low 1 / f Noise
- DC Precision
- 126dB PSRR
- 114dB CMRR
- 120dB Open-Loop Gain (AOL)
- 525µA (max) Quiescent Current
- ±2V to ±18V Wide Supply Range
- Rail-to-Rail Output (Input Includes Negative Rail)
- 250pA (typ) Low Bias Current
- RFI Filtered Inputs
- MicroSIZE Packages
Aplicaciones
- Bridge Amplifiers
- Strain Gauges
- Test Equipment
- Transducer Applications
- Temperature Measurement
- Electronic Scales
- Medical Instrumentation
- Resister Thermal Detectors
- Precision Active Filters
Datasheets
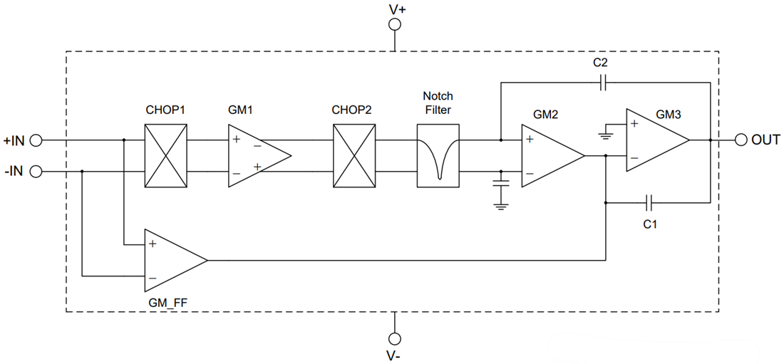
Functional Block Diagram
Publicado: 2014-08-28
| Actualizado: 2022-03-11
