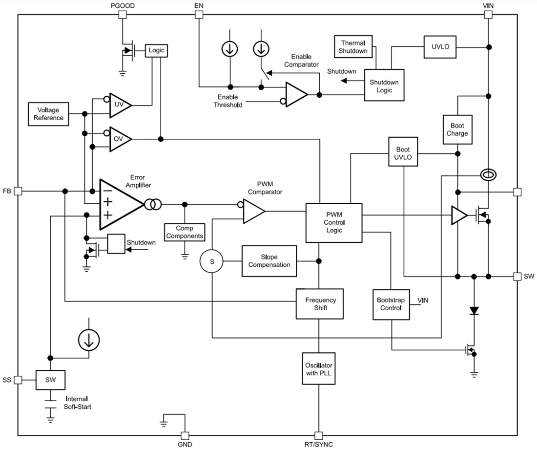
Texas Instruments LV14360 60V 3A Step-Down Regulator
Texas Instruments LV14360 60V 3A Step-Down Regulator comes with an integrated high-side MOSFET. With a wide input range from 4.3V to 60V, the device is suitable for various industrial and automotive applications for power conditioning from unregulated sources. The quiescent current of the regulator is 300µA in sleep mode, which is ideal for battery-powered systems. An ultra-low 1µA current in shutdown mode can further prolong battery life. A wide adjustable switching frequency range allows either efficiency or external component size to be optimized. Internal loop compensation means that the user is free from the tedious task of loop compensation design. This feature also minimizes the external components of the device. A precision enable input allows simplification of regulator control and system power sequencing. The device also has built-in protection features such as cycle-by-cycle current limit, thermal sensing, shutdown due to excessive power dissipation, and output overvoltage protection. The Texas Instruments LV14360 is available in an 8-pin, 4.89mm × 3.9mm HSOIC package with an exposed pad for low thermal resistance.Features
- 4.3V to 60V input range
- 3A continuous output current
- 300µA operating quiescent current
- 155mΩ high-side MOSFET
- Current mode control
- Adjustable switching frequency from 200kHz to 2MHz
- Frequency synchronization to an external clock
- Internal compensation for ease of use
- High-duty cycle operation supported
- Precision enable input
- 1µA shutdown current
- Thermal, overvoltage, and short protection
- 8-pin HSOIC with PowerPAD™ package
Applications
- Industrial power supplies
- Communications equipment and datacom modules
- General purpose wide VIN regulation
Functional Block Diagram
Publicado: 2020-12-07
| Actualizado: 2024-10-11
