Texas Instruments Regulador de descenso de tensión LMR140x0 SIMPLE SWITCHER®
Los reguladores de tensión con descenso de tensión LMR140x0 SIMPLE SWITCHER® de Texas Instruments están disponibles en Mouser y son reguladores con descenso de tensión de 40 V a 2 A (LMR14020), 3,5 A (LMR14030) o 5,0 A (LMR14050) con un MOSFET de lado superior integrado. Con un amplio intervalo de entrada de 4 V a 40 V, son adecuados para diversas aplicaciones, desde industrial a automoción, para el acondicionamiento de energía desde una fuente no regulada. La corriente inactiva del regulador es de 40 µA en modo de espera, que es adecuada para sistemas alimentados con batería. Una corriente de cierre ultrabaja de 1 µA puede prolongar más la vida de la batería. Un intervalo amplio de frecuencias de conmutación ajustable permite la optimización de la eficiencia o el tamaño de los componentes externo. La compensación de bucle interno evita al usuario la tarea engorrosa de diseñar la compensación del bucle. Esto también minimiza los componentes externos del dispositivo.Características
- 4V to 40V input range
- Available with 2A (LMR14020), 3.5A (LMR14030) or 5.0A (LMR14050) continuous output current
- Ultra-low 40µA operating Quiescent current
- 90mΩ high-side MOSFET
- Minimum switch-on time: 75ns
- Current mode control
- Adjustable switching frequency from 200kHz to 2.5MHz
- Frequency synchronization to external clock
- Internal compensation for ease of use
- High duty cycle operation supported
- Precision enable input
- 1µA shutdown current
- External soft-start
- Thermal, overvoltage, and short protection
- 8-Pin HSOIC with PowerPAD™ package
Aplicaciones
- Automotive battery regulation
- Industrial power supplies
- Telecom and datacom systems
- Battery powered system
Vídeos
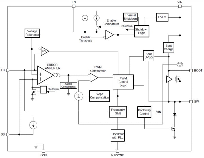
Functional Block Diagram
Additional Resources
Publicado: 2015-03-23
| Actualizado: 2022-03-11
