Texas Instruments LMG2652 650V 140mΩ GaN Power-FET Half Bridge

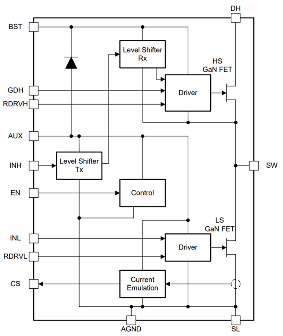
Texas Instruments LMG2652 650V 140mΩ GaN Power-FET Half-Bridge simplifies design, reduces component count, and reduces board space. This simplification is done by integrating half-bridge power FETs, gate drivers, bootstrap diode, and high-side gate-drive level shifter in a 6mm by 8mm QFN package. The low-side current-sense emulation reduces power dissipation compared to the traditional current-sense resistor. It allows the low-side thermal pad to be connected to the cooling PCB power ground.

The high-side GaN power FET can be controlled with either the low-side referenced gate-drive pin (INH) or the high-side referenced gate-drive pin (GDH). The high-side gate-drive signal level shifter reliably transmits the INH pin signal to the high-side gate driver in challenging power-switching environments. The smart-switched GaN bootstrap FET has no diode forward-voltage drop, avoids overcharging the high-side supply, and has zero reverse-recovery charge.

The Texas Instruments LMG2652 supports converter light-load efficiency requirements and burst-mode operation with low quiescent currents and fast start-up times. Protection features include FET turn-on interlock, under-voltage lockout (UVLO), cycle-by-cycle current limit, and over-temperature shutdown.

Features

  • 650V GaN power-FET half-bridge
  • 140mΩ low-side and high-side GaN FETs
  • Integrated gate drivers with <100ns low propagation delays
  • Current-sense emulation with high bandwidth and high accuracy
  • Low-side referenced (INH) and high-side referenced (GDH) high-side gate drive pins
  • Low-side (INL)/high-side (INH) gate-drive interlock
  • High-side (INH) gate-drive signal level shifter
  • Smart-switched bootstrap diode function
  • High-side start-up of < 8µs
  • Low-side/high-side cycle-by-cycle overcurrent protection
  • Overtemperature protection
  • AUX idle quiescent current of 250µA
  • AUX standby quiescent current of 50µA
  • BST idle quiescent current of 70µA
  • 8mm × 6mm QFN package with dual thermal pads

Applications

  • AC/DC adapters and chargers
  • AC/DC USB wall outlet power supplies
  • AC/DC auxiliary power supplies
  • Mobile wall charger design
  • USB wall power outlet

Simplified Block Diagram

Block Diagram - Texas Instruments LMG2652 650V 140mΩ GaN Power-FET Half Bridge
Publicado: 2025-04-08 | Actualizado: 2025-04-17