Texas Instruments LM5146/LM5146-Q1 100V Synchronous Buck Controllers

Texas Instruments LM5146/LM5146-Q1 100V Synchronous Buck Controllers regulate from a high input voltage source or an input rail subject to high voltage transients. This feature minimizes the need for external surge suppression components. A high-side switch minimum on-time of 40ns gives large step-down ratios, enabling the direct step-down conversion from a 48V nominal input to low-voltage rails for reduced system complexity and solution cost. The Texas Instruments LM5146/LM5146-Q1 continues to operate during input voltage dips as low as 5.5V, at nearly 100% duty cycle if needed. This feature makes it an excellent choice for high-performance 48V battery automotive applications, ADAS (surround view ECU), and HEV/EV systems.

Features

  • Versatile synchronous buck DC/DC controller
    • Wide input voltage range of 5.5V to 100V
    • An adjustable output voltage from 0.8V to 60V
    • Voltage-mode control with line feedforward
  • Meets CISPR 25 EMI standard
  • Lossless RDS(on) or shunt current sensing
  • Switching frequency from 100kHz to 1MHz
    • SYNC In and SYNC out capability
  • 40ns minimum on-time for a high VIN / VOUT ratio
  • 140ns minimum off-time for low dropout
  • 0.8V reference with ±1% feedback accuracy
  • 7.5V gate drivers for standard VTH MOSFETs
    • 14ns adaptive dead-time control
    • 2.3A source and 3.5A sink capability
    • Low-side soft start for a pre-biased start-up
  • Adjustable soft-start or optional voltage tracking
  • Precision enable input and open-drain Power-Good indicator for sequencing and control
  • Inherent protection features for robust design
    • Hiccup-mode overcurrent protection
    • Input UVLO with hysteresis
    • VCC and gate-drive UVLO protection
    • Thermal shutdown protection with hysteresis
  • 20-pin VQFN package with wettable flanks

Applications

  • High-power automotive DC/DC regulator
  • Automotive motor drives, ADAS
  • HEV/EV power compliant with LV-148

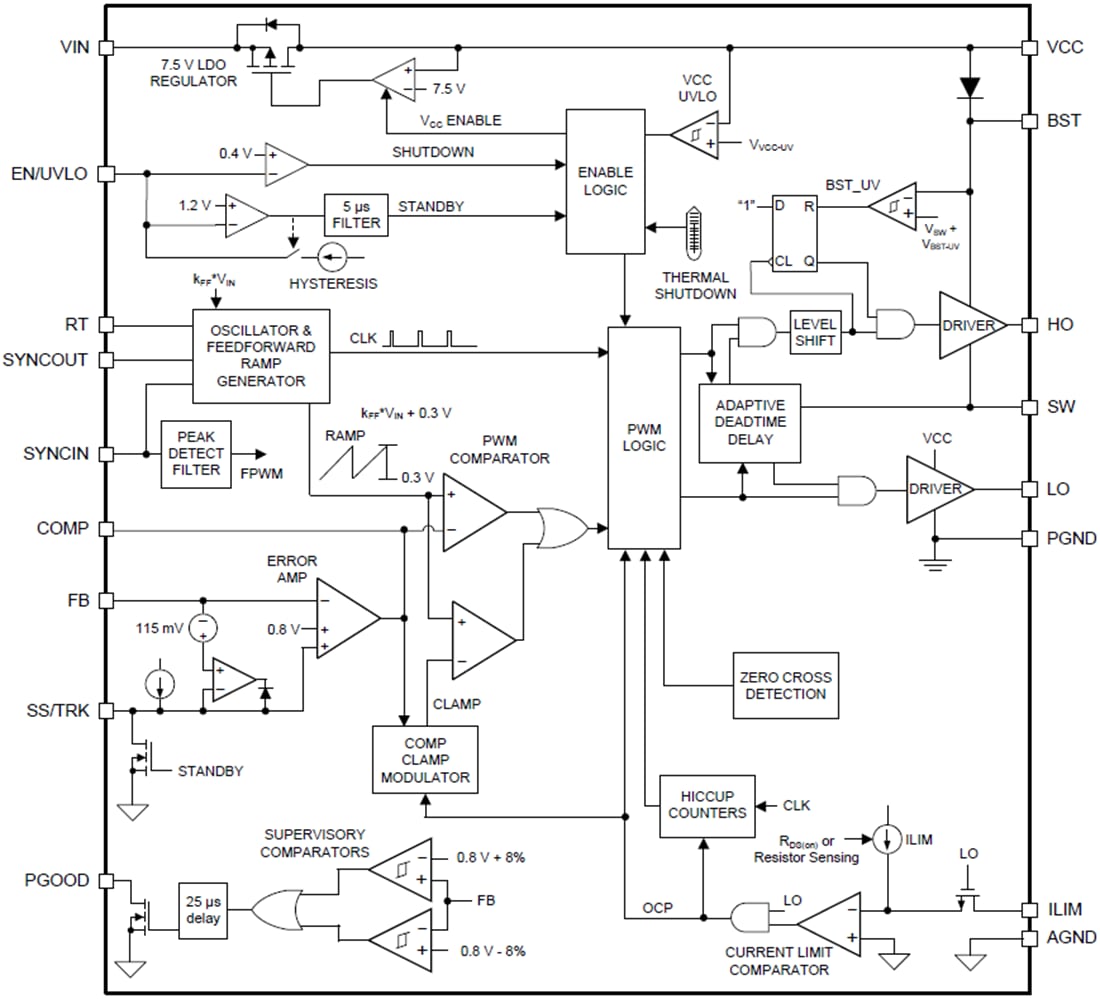
Functional Block Diagram

Block Diagram - Texas Instruments LM5146/LM5146-Q1 100V Synchronous Buck Controllers
Publicado: 2019-03-06 | Actualizado: 2023-07-27