Texas Instruments LM2577x SIMPLE SWITCHER® Voltage Regulators
Texas Instruments LM2577x SIMPLE SWITCHER® Voltage Regulators are monolithic ICs that provide all the active functions for step-down (buck), flyback, and forward converter switching regulators. These regulators can drive a 3A load with excellent line and load regulation. The LM2576x devices are available in fixed output voltages of 3.3V, 5V, 12V, 15V, and an adjustable output version. The Texas Instruments LM2576x voltage regulators offer a high-efficiency replacement for popular three-terminal linear regulators. These voltage regulators feature high-efficiency TTL shutdown capability and dramatically simplify switch-mode power supply design.Features
- Requires few external components
- NPN output switches 3A and can stand off 65V
- Wide input voltage range of 3.5V to 40V
- Current-mode operation for an improved transient response, line regulation, and current limit
- 52kHz internal oscillator
- The soft-start function reduces in-rush current during start-up
- Output switch protected by current limit, under-voltage lockout, and thermal shutdown
Applications
- Simple boost regulator
- Flyback and forward regulators
- Multiple-output regulator
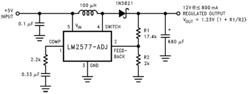
Application Circuit
Publicado: 2019-07-19
| Actualizado: 2023-10-02
