Texas Instruments Comparador de detección de corriente de lado alto o bajo INA300
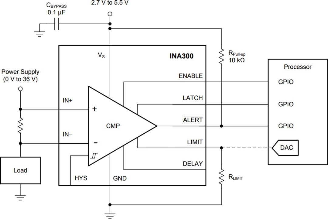
El comparador de detección de corriente de lado alto o bajo INA300 de Texas Instruments es un comparador de detección de corriente de modo común alto configurado para detectar condiciones de sobrecorriente mediante la medición de la tensión desarrollada a través de la detección de corriente o de una resistencia de derivación. El dispositivo puede medir esta señal de tensión diferencial en tensiones de modo común que pueden variar entre 0 V y 36 V, independientemente de la tensión de suministro. El dispositivo incluye un rango de umbral ajustable que se establece mediante una única resistencia de configuración de límite externa. La función de histéresis seleccionable permite el funcionamiento ajustable del comparador para dar cabida a un amplio rango de señal de entrada de entre 0 mV y 250 mV.Características
- Wide Common-Mode Range: 0V to 36V
- Selectable Response Times:
- 10μs, 50μs, 100μs
- Programmable Threshold:
- Adjustable Using a Single Resistor
- Programmable from 0mV to 250mV
- Accuracy:
- Offset Voltage: ±500μV (Max)
- Offset Voltage Drift: 0.5μV/°C (Max)
- Selectable Hysteresis:
- 2mV, 4mV, 8mV
- Active Quiescent Current: 135μA (Max)
- Selectable Disable Mode:
- Disabled Quiescent Current: 3.5μA (Max)
- Disabled Input Bias Current: 500nA (Max)
- Open-Drain Output with Latch Mode Available
- Package Options
- WSON-10
- VSSOP-10
Aplicaciones
- Overcurrent Protection
- Computers
- Servers
- Telecom Equipment
- Power Supplies
- Battery Chargers
Datasheets
Block Diagram
Typical Application Circuit
Publicado: 2014-06-24
| Actualizado: 2023-11-08
