Texas Instruments Serializador FPD-Link II DS90UR905Q de Texas Instruments
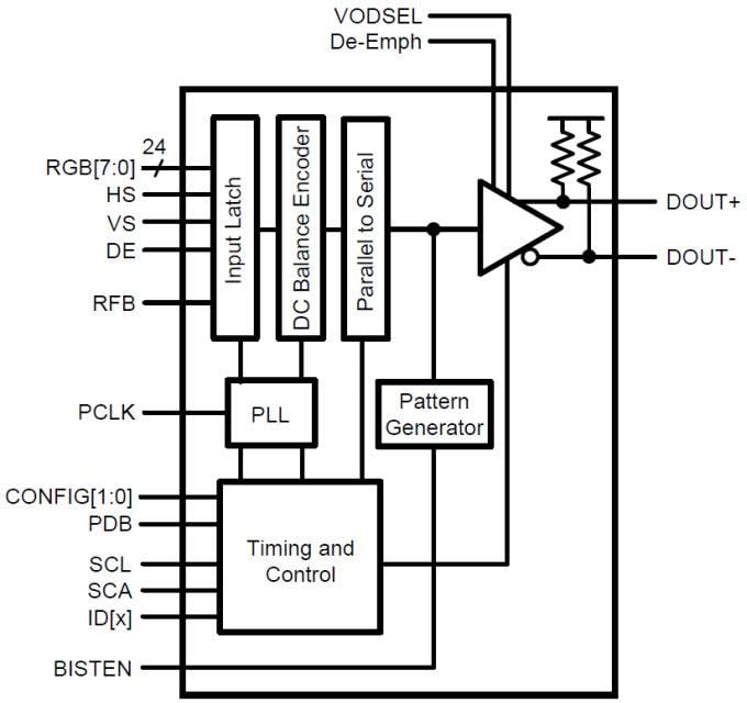
El serializador DS90UR905Q FPD-Link II de Texas Instruments adapta una interfaz de vídeo RGB en paralelo a una interfaz serializada de alta velocidad en un único par. El esquema de bus serie de alta velocidad facilita enormemente el diseño del sistema, eliminando los problemas de sesgo entre el reloj y los datos, reduciendo el número de pines del conector, reduciendo el tamaño de la interconexión, el peso y el coste, y facilitando en general el diseño. Además, se utiliza la descodificación de compensación CC interna para la compatibilidad de interconexiones acopladas en CA. El serializador DS90UR905Q integra el reloj, equilibra los datos útiles y nivela los cambios de las señales para la señalización digital de bajo voltaje y alta velocidad. Se pueden serializar hasta 24 entradas, junto con las tres señales de control de vídeo. Esto permite su uso en aplicaciones de color de 24 o 18 bits, y 6 señales de carácter general (por ejemplo, Audio I2S).Características
- 5 – 65MHz PCLK support (140Mbps – 1.82Gbps)
- AC coupled STP interconnect cable up to 10 meters
- Integrated terminations on Ser and Des
- @ Speed link BIST mode and reporting pin
- Optional I2C compatible Serial Control Bus
- RGB888 + VS, HS, DE support
- Power down mode minimizes power dissipation
- 1.8V or 3.3V compatible LVCMOS I/O interface
- Automotive grade product: AEC-Q100 Grade 2 qualified
- >8 kV HBM and ISO 10605 ESD Rating
- Backward compatible mode for operation with older generation devices
Aplicaciones
- Automotive displays
- Navigation
- Entertainment
Block Diagram
Vídeos
Publicado: 2013-10-09
| Actualizado: 2024-06-25
