Texas Instruments ADS1299-x 24-Bit Analog-to-Digital Converters

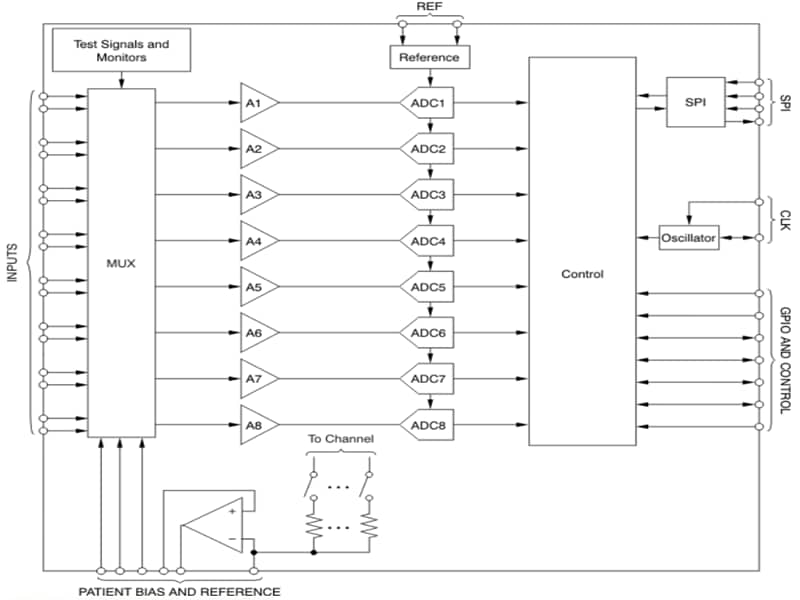
Texas Instruments ADS1299-x 24-Bit Analog-to-Digital Converters (ADCs) are four, six, and eight-channel, low-noise, 24-bit, simultaneous-sampling Delta-Sigma (ΔΣ) Analog-to-Digital Converters (ADCs). These ADCs come with a built-in programmable Gain Amplifier (PGA), internal reference, and an onboard oscillator. The ADS1299-x incorporates all commonly-required features for Extracranial Electroencephalogram (EEG) and Electrocardiography (ECG) applications. With its high levels of integration and exceptional performance, the ADS1299-x enables the creation of scalable medical instrumentation systems at significantly reduced size, power, and overall cost. The ADS1299-x has a flexible input multiplexer per channel that can be independently connected to the internally-generated signals for test, temperature, and lead-off detection. Multiple ADS1299-4, ADS1299-6, or ADS1299 devices can be cascaded in high channel count systems in a daisy-chain configuration.

Features

  • Up to eight low-noise PGAs and eight high-resolution simultaneous-sampling ADCs
  • Input-referred noise: 1µVPP (70Hz BW)
  • Input bias current: 300pA
  • Data rate: 250SPS to 16kSPS
  • CMRR: –110dB
  • Programmable gain: 1, 2, 4, 6, 8, 12, or 24
  • Unipolar or bipolar supplies:
    • Analog: 4.75V to 5.25V
    • Digital: 1.8V to 3.6V
  • Built-in bias drive amplifier, lead-off detection, test signals
  • Built-in oscillator
  • Internal or external reference
  • Flexible power-down, standby mode
  • Pin-compatible with the ADS129x
  • SPI-compatible serial interface
  • Operating temperature range: –40°C to +85°C

Applications

  • Medical instrumentation including:
    • Electroencephalogram (EEG) study
    • Fetal Electrocardiography (ECG)
    • Sleep study monitor
    • Bispectral Index (BIS)
    • Evoked Audio Potential (EAP)

Block Diagram

Block Diagram - Texas Instruments ADS1299-x 24-Bit Analog-to-Digital Converters

TI Reference Designs Library

TI Reference Designs - Texas Instruments ADS1299-x 24-Bit Analog-to-Digital Converters
Publicado: 2012-10-04 | Actualizado: 2022-03-11