Texas Instruments ADC368x Low-Noise Low Power ADCs
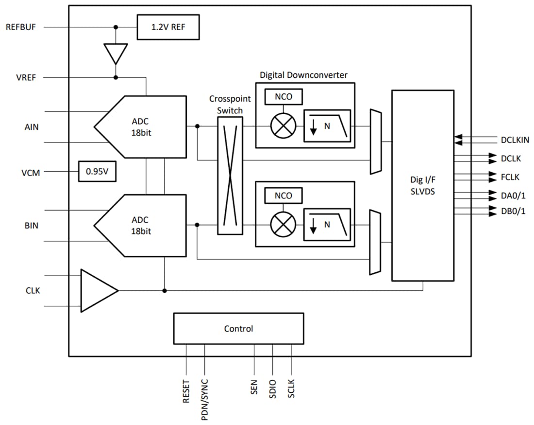
Texas Instruments ADC368x Low-Noise Low Power Analog-to-Digital Converters (ADCs) are low noise, ultra-low power 18-bit 65MSPS high-speed dual channel ADC family. Designed for low noise performance, it delivers a noise spectral density of -160dBFS/Hz combined with excellent linearity and dynamic range. The ADC368x offers incredible DC precision and IF sampling support, making it suited for various applications. High-speed control loops benefit from the short latency, as low as only one clock cycle. The ADC consumes only 94mW at 65Msps, and its power consumption scales well with lower sampling rates.The Texas Instruments ADC368x uses a serial LVDS (SLVDS) interface to output the data, which minimizes the number of digital interconnects. The device supports two-lane, one-lane, and half-lane options. The ADC368x is a pin-to-pin compatible family with 16 and 18-bit resolutions and different speed grades. It comes in a 40-pin QFN package (5mm x 5 mm) and supports the extended industrial temperature range from -40 to +105⁰C.
Features
- Dual channel ADC
- 18-bit 10, 25, 65MSPS ADC
- -160dBFS/Hz noise floor
- 53mW/ch (10MSPS) to 94mW/ch (65MSPS) low power and optimized power scaling
- 1-2 clock cycles latency
- 18-bit, no missing codes
- INL/DNL: ±7/ ±0.7LSB (typical)
- Reference (external or internal)
- 900MHz (3dB) input bandwidth
- -40 to +105°C industrial temperature range
- On-chip digital filter (optional)
- Decimation by 2, 4, 8, 16, 32
- 32-bit NCO
- Serial LVDS digital interface (2-, 1- and 1/2-wire)
- 40-QFN (5mm x 5 mm) small footprint package
- Spectral performance (fIN = 5MHz)
- SNR: 83.8dBFS
- SFDR: 89dBc HD2, HD3
- SFDR: 101dBFS Worst spur
- Spectral performance (fIN = 20MHz)
- SNR: 82.6dBFS
- SFDR: 85dBc HD2, HD3
- SFDR: 97dBFS Worst spur
Applications
- High-speed data acquisition
- Industrial monitoring
- Software-defined radio
- Power quality analyzer
- Source measurement unit (SMU)
- Communications infrastructure
- Spectrum analyzer
- Control loops
- Instrumentation
- Imaging
- Spectroscopy
- Radar
Functional Block Diagram
Publicado: 2022-12-12
| Actualizado: 2023-01-05
