Texas Instruments ADC34RF52 14-Bit RF Sampling ADC
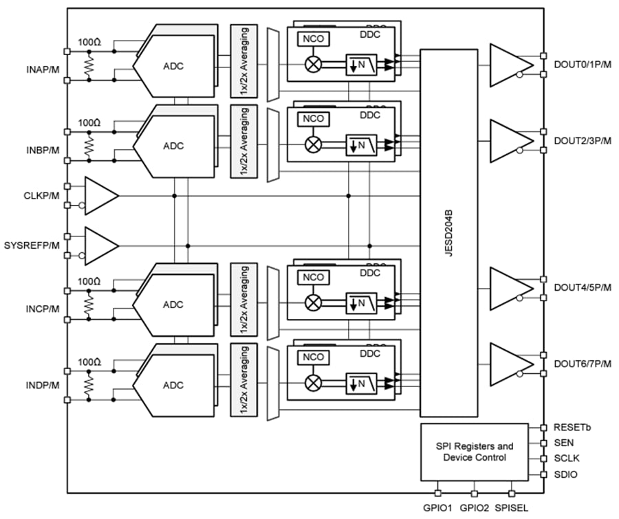
Texas Instruments ADC34RF52 14-Bit RF Sampling Analog-to-Digital Converter (ADC) is a single-core 14-bit, 1.5GSPS, quad-channel ADC that supports RF sampling with input frequencies up to 2.5GHz. The design delivers a noise spectral density of -153dBFS/Hz and maximizes signal-to-noise ratio (SNR). The noise density improves to -156dBFS/Hz by using additional internal ADCs and on-chip signal averaging.Each ADC channel can be connected to a dual-band digital down-converter (DDC) using a 48-bit NCO. This feature supports phase-coherent frequency hopping, which can be achieved in less than 1µs by using the GPIO pins for NCO frequency control. The Texas Instruments ADC34RF52 supports the JESD204B serial data interface with subclass 1 deterministic latency using data rates up to 13Gbps. There are only two SERDES lanes per ADC channel. The power-efficient ADC architecture consumes 0.73W/ch at 1.5GSPS and provides power scaling with lower sampling rates.
Features
- 14-bit, quad channel 1.5GSPS ADC
- Noise spectral density
- -153dBFS/Hz without averaging
- -156dBFS/Hz with 2x averaging
- Single-core (non-interleaved) ADC architecture
- 50fs aperture jitter
- Low close-in residual phase noise of -133dBc/Hz at 10kHz offset
- Spectral performance (fIN = 900MHz, -4dBFS):
- 2x internal averaging
- SNR: 65.2dBFS
- SFDR HD2,3: 74dBc
- SFDR worst spur: 90dBFS
- 1.0/1.1Vpp (1/1.8dBm) input full scale
- 1.6GHz full power input bandwidth (-3dB)
- JESD204B serial data interface
- Maximum lane rate: 13Gbps
- Supports subclass 1 deterministic latency
- Digital down-converters
- Up to two DDC per ADC channel
- Complex output: 4x to 128x decimation
- 48-bit NCO phase-coherent frequency hopping
- Fast frequency hopping: < 1µs
- 0.73W/channel (1x AVG) power consumption
- Power supplies of 1.8V, 1.2V
Applications
- Phased array radar
- Spectrum analyzer
- Software-defined radio (SDR)
- Electronic warfare
- High-speed digitizer
- Cable infrastructure
- Communications infrastructure
Functional Block Diagram
Publicado: 2024-06-18
| Actualizado: 2024-06-26
