Tamura 2RB0x0CB GDM Gate Driver Evaluation Boards

Tamura 2RB0x0CB GDM Gate Driver Evaluation Boards are ideal for evaluating the 2CG and 2DMB gate drivers. The power module of the SiC MOSFET/IGBT can be driven simply by mounting a Gate resistor. The 2RB0x0CB evaluation boards feature an open gate voltage with lead resistor mounting possible, a built-in 5VDC regulator for the 13.5V to 26.4V input voltage range, an additional circuit for DESAT protection, and a 50Ω soft turn-off resistor.

Features

  • Ideal for the evaluation of the 2CG and 2DMB gate drivers
  • Open gate voltage with lead resistor mounting possible
  • Additional circuit for DESAT protection
  • Built-in 5VDC regulator for the 13.5V to 26.4V input voltage range
  • 50Ω soft turn-off resistor

Specifications

  • 13.5VDC to 26.4VDC gate driver input voltage range
  • 1700V maximum short circuit detection pin voltage
  • 2N maximum driver circuit number
  • Short circuit detection
    • 5V or 10V rating
    • 0.7µs or 3.6µs filter time
  • 0.2µs alarm signal response time
  • 10Ω soft turn-off resistance
  • Operating temperature ranges
    • -40°C to +85°C from 13.5V to 18V
    • -40°C to +75°C from 18V to 26.4V

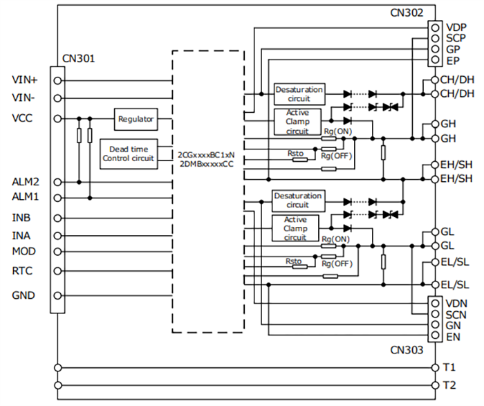
Block Diagram

Block Diagram - Tamura 2RB0x0CB GDM Gate Driver Evaluation Boards
Publicado: 2022-08-26 | Actualizado: 2022-08-29