STMicroelectronics TSB7192 BiCMOS Operational Amplifiers

STMicroelectronics TSB7192 BiCMOS Operational Amplifiers offer dual 22MHz bandwidth and feature rail-to-rail input and output. The STMicroelectronics TSB7192 is guaranteed to operate from +2.7V to +36V single supply and from ±1.35V to ±18V dual supplies. The devices have the advantage of offering a large span of supply voltage and an excellent input offset voltage of 300µV maximum at 25°C.

The TSB7192 provides features including wide bandwidth, slew rate, low noise, rail-to-rail capability, and precision. These features make the TSB7192 useful in various applications such as filters, power supply/motor control, actuator driving, hall effect sensors, and resistive transducers.

Features

  • Rail-to-rail input and output
  • 300µV maximum low offset voltage
  • 2.7V to 36V wide supply voltage range
  • 22MHz gain-bandwidth product
  • 12V/µs slew rate
  • 12nV/√Hz low noise
  • Stable with gain +10/-9
  • Integrated EMI filter
  • Standard SO8 and miniSO8 packages
  • 2kV HBM ESD tolerance
  • -40°C to +125°C extended temperature range
  • Automotive-grade available

Applications

  • High-side and low-side current sensing
  • Hall effect sensors
  • Data acquisition and instrumentation
  • Test and measurement equipment
  • Motor control
  • Industrial process control
  • Strain gauge

Videos

Input Current Limitation

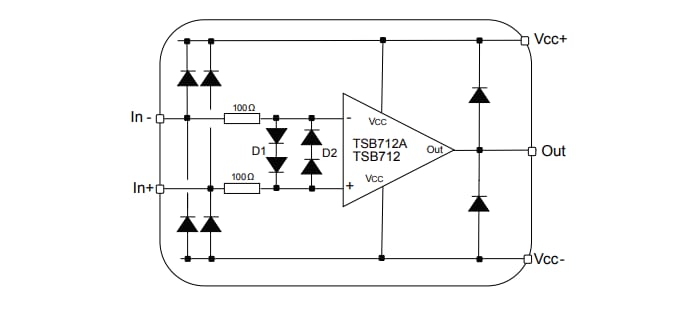
Block Diagram - STMicroelectronics TSB7192 BiCMOS Operational Amplifiers
Publicado: 2019-02-14 | Actualizado: 2024-01-26