STMicroelectronics M1P45M12W2-1LA ACEPACK DMT‑32 Power Module
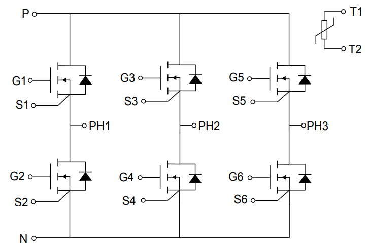
STMicroelectronics M1P45M12W2-1LA ACEPACK DMT‑32 Power Module realizes a six-pack topology with integrated NTC tailored for the DC/DC converter stage of the OBC. This power module is used in On-Board Charger (OBC). The M1P45M12W2-1LA power module guarantees the optimal balance between energy losses and high switching frequency operation mode. This power module creates complex topologies with very high power densities and high-efficiency requirements. This power module AQG 324 qualified. The M1P45M12W2-1LA power module features six silicon carbide Power MOSFETs of 2nd generation.Features
- AQG 324 qualified
- Integrated NTC temperature sensor
- DBC Cu-AlN-Cu-based substrate to improve thermal performance
Specifications
- 1200V drain-source breakdown voltage
- 30A drain current (continuous) at TC=50°C
- 95A drain current (pulsed, tp=1ms)
- -40°C to 175°C operating temperature range
Applications
- On Board Charger (OBC)
Electrical Topology
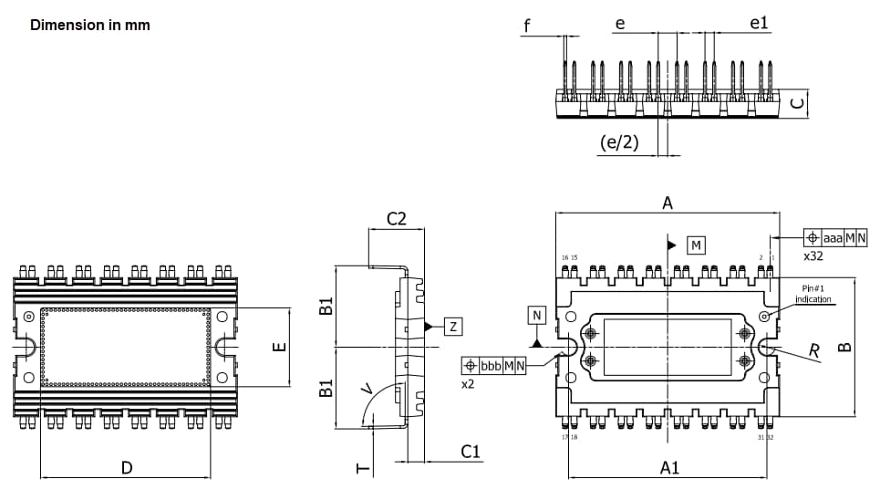
ACEPACK DMT‑32 Package Outline
Publicado: 2024-09-18
| Actualizado: 2024-10-10
