STMicroelectronics TDA7498E Dual BTL Class-D Audio Amplifier
STMicroelectronics TDA7498E Dual BTL Class-D Audio Amplifier features a single power supply designed for home systems and active speaker applications. Features of the TDA7498E Dual BTL Class-D Audio Amplifier include wide-range single-supply operation, high efficiency, parallel BTL function using the MODE pin, four selectable, fixed gain settings, differential inputs that minimize common-mode noise, standby and mute features, smart protection, and thermal overload protection. The STMicroelectronics TDA7498E Dual BTL Class-D Audio Amplifier comes in a 36-pin PowerSSO package with exposed pad up (EPU) to facilitate mounting a separate heatsink.Features
- 160W + 160W output power at THD = 10% with RL= 4Ω and VCC = 36V
- 1 x 220W output power mono parallel BTL at THD = 10% with RL= 3Ω and VCC = 36V
- Wide-range single-supply operation (14 - 36V)
- High efficiency (η = 85%)
- Parallel BTL function using the MODE pin
- Four selectable, fixed gain settings of nominally 23.8dB, 29.8dB, 33.3dB and 35.8dB
- Differential inputs minimize common-mode noise
- Standby and mute features
- Smart protection
- Thermal overload protection
- Small offset less than 20mV
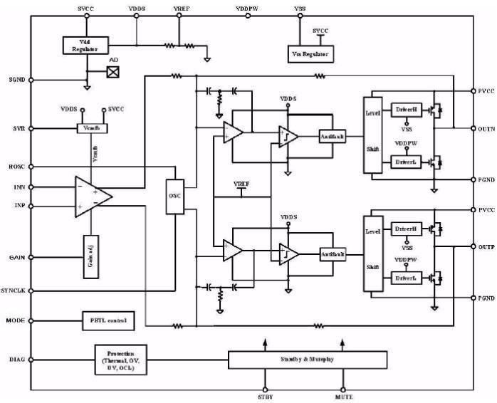
Block Diagram
Publicado: 2012-03-05
| Actualizado: 2022-03-11
