STMicroelectronics CI de medición de fase única STPM33/34
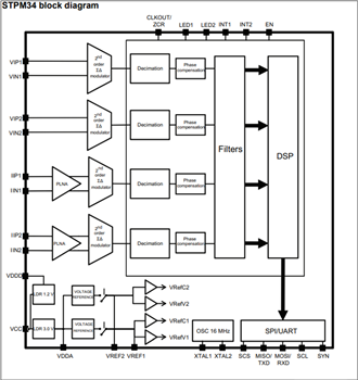
Los CI de medición de fase única STPM33/34 de STMicroelectronics representan una familia de ASSP diseñada para una medición de potencia y energías de alta precisión en sistemas de líneas de alimentación mediante la bobina Rogowski, un transformador de corriente o sensores de corriente de derivación. Proporcionan formas de onda instantáneas de tensión y corriente, y calculan valores de RMS de tensión y corrientes, activos, reactivos y potencia y energías aparentes. La STPM33/34 es una familia de CI de señales mixtas compuesta de una sección digital y otra analógica. La sección analógica está formada por dos amplificadores de baja compensación, poco ruido y ganancia programable y hasta cuatro ADC sigma-delta de 24 bits de segundo orden, dos referencias de tensión de banda prohibida con compensación de temperatura independiente, regulador de tensión de caída baja y amortiguadores de CC. La sección digital se compone de una fase de filtrado digital, un DSP cableado, DFE a la entrada y una interfaz de comunicación serie (UART o SPI). Todo ello es totalmente configurable y permite una rápida calibración del sistema digital en un punto único en todo el rango dinámico de corriente.The STMicroelectronics STPM3x Single Phase Metering ICs are offered in QFN24L (STPM32) and QFN32L (STPM33 and STPM34) packages.
Características
- Active power accuracy:<0.1% error over 5000: 1 dynamic range
- <0.5% error over 10000: 1 dynamic range
- Exceeds 50Hz to 60Hz EN 50470-x, IEC 62053-2x, ANSI12.2x standard requirements for AC watt meters
- Reactive power accuracy:<0.1% error over 2000:1 dynamic range
- Dual mode apparent energy calculation
- Instantaneous and averaged power
- RMS and instantaneous voltage and current
- Under and overvoltage detection (sag and swell) and monitoring
- Overcurrent detection and monitoring
- UART and SPI serial interface with programmable CRC polynomial verification
- Programmable LED and interrupt outputs
- Four independent 24-bit 2nd order sigma-delta ADCs
- Two programmable gain chopper stabilized low-noise and low-offset amplifiers
- Bandwidth 3.6kHz @ -3dB
- VCC supply range 3.3V±10%
- Input clock frequency 16MHz, Xtal or external source
- Twin precision voltage reference: 1.23V with independent programmable TC, 10ppm/°C typ.
- Internal low drop regulator @ 3V (typ.)
- Package options
- STPM32: 4.0mm x 4.0mm QFN24L
- STPM33 and STPM34: 5.0mm x 5.0mm QFN32L
- Operating temperature -40°C to +85°C
Vídeos
Publicado: 2014-05-07
| Actualizado: 2025-05-27
