STMicroelectronics STEVAL-MKI234KA Evaluation Kit

STMicroelectronics STEVAL-MKI234KA Evaluation Kit is based on the LSM6DSV16BX inertial module with a Qvar electrostatic sensor. This evaluation kit includes three different electrodes to make it compatible with the STEVAL-MKI109V3 motherboard. The STEVAL-MKI234KA features a complete LSM6DSV16BX pinout for a standard DIL 24 socket and is used with the decoupling capacitors on the VDD power supply line. The STEVAL-MKE00xAA can be plugged into the STEVAL-MKI234A board. The STEVAL-MKI109V3 motherboard supports the adapter, including a high-performance 32-bit microcontroller as a bridge between the sensor and the PC. The evaluation kit can use the downloadable graphical user interface or dedicated software routines for customized applications and plug the board into an X-NUCLEO-IKS01A3 expansion board.

Features

  • User-friendly LSM6DSV16BX board
  • Complete LSM6DSV16BX pinout for a standard DIL 24 socket
  • Fully compatible with the STEVAL-MKI109V3 motherboard
  • RoHS compliant

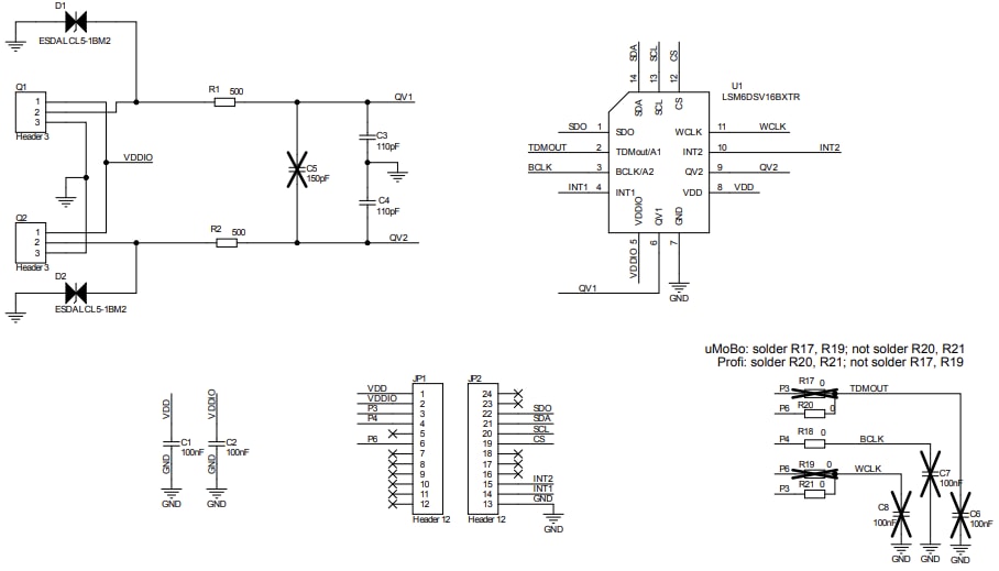
Schematic Diagram

Schematic - STMicroelectronics STEVAL-MKI234KA Evaluation Kit
Publicado: 2023-01-24 | Actualizado: 2023-03-29