STMicroelectronics Scheda di valutazione controllo motore universale STEVAL-IHM029V2
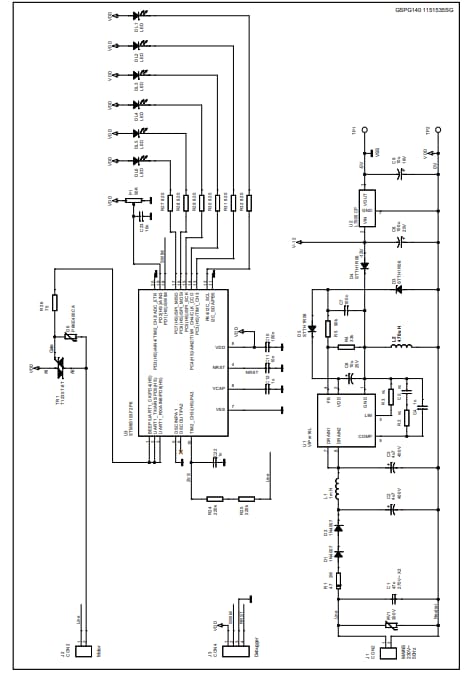
La placa de evaluación de control de motor universal STEVAL-IHM029V2 de STMicroelectronics ha sido diseñada para el mercado de aplicaciones domésticas con especial atención a los aspiradores, procesadores de alimentos y herramientas eléctricas. El sistema dispone del microcontrolador de 20 pines y 8 bits a 16 MHz (reloj RC interno ajustable por el usuario). También incorpora una memoria flash de 4 KB, un convertidor de A/D de 10 bits, temporizadores de 8/16 bits, interfaces de comunicación y 640 bytes de E2PROM. La circuitería de la fuente de alimentación incorpora el VIPer16L, un convertidor fuera de línea con una sección de alimentación frente a avalanchas de 800 V y que funciona a 60 kHz.Características
- 90VAC to 265VAC, 50Hz/60Hz input voltage range
- 12VDC/5VDC auxiliary power supply based on the VIPer16L in buck converter topology
- Total power consumption below 300mW in standby mode
- Maximum output power: 1500W
- 20-pin, 8-bit STM8S103F2 MCU as main controller
- Employs zero-voltage switching (ZVS) to synchronize MCU events with the voltage mains
- Motor driven by T1235T Triac in phase-angle control
- 5 power levels and standby mode selectable by potentiometer
- 5 LEDs to display the power level of the board
- "RUN" LED to indicate the board is functioning
- Standard in-circuit programming connector
- IEC 61000-4-4 pre-compliance test passed (burst up to 8kV)
- IEC 61000-4-5 pre-compliance test passed (surge up to 2kV)
- RoHS compliant
Circuit Schematic
Publicado: 2015-02-18
| Actualizado: 2022-03-11
