STMicroelectronics Acelerómetro 3D y giroscopio 3D LSM330/D iNEMO
El acelerómetro 3D y giroscopio 3D LSM330/D iNEMO de STMicroelectronics es un sistema en cápsula que incluye un acelerómetro digital 3D y un giroscopio digital 3D. La familia de módulos de sensores MEMS de ST aprovecha las ventajas de los procesos de fabricación robustos y maduros ya empleados para la producción de acelerómetros y giroscopios micromecanizados. Los diversos elementos de detección se fabrican mediante procesos de micromecanizado especializados, mientras que las interfaces CI se desarrollan con una tecnología CMOS que permite diseñar un circuito dedicado que se recorta para que coincida mejor con las características del elemento de detección. El LSM330/D tiene un rango de aceleración de escala completa, seleccionable por el usuario, de ±2 g/±4 g/±8 g/±16 g o ±2/±4/±6/±8/±16 g y una velocidad angular de ±250/±500/±2.000 dps. Los sensores del acelerómetro y el giroscopio pueden estar activados o establecidos de forma independiente en modo Bajo consumo/Apagado para aplicaciones optimizadas para ahorro energético.The various sensing elements are manufactured using specialized micromachining processes, while the IC interfaces are developed using a CMOS technology that allows the design of a dedicated circuit which is trimmed to better match the sensing element characteristics.
The LSM330 has user-selectable full-scale acceleration range of ±2/±4/±6/±8/±16g and angular rate of ±125/±250/±500/±1000/±2000dps. The accelerometer and gyroscope sensors can be either activated or separately put in Low power/Power-down mode for applications optimized for power saving.
Características
- 2.4V to 3.6V analog supply voltage
- 1.8V digital supply voltage IOs
- Low power mode
- Power-down mode
- Sleep mode
- 2 embedded programmable state machines
- 3 independent acceleration channels and 3 angular rate channels
- ±2/±4/±6/±8/±16g selectable full scale
- ±250/±500/±2000 dps selectable full scale
- SPI/I2C serial interface (16-bit data output)
- Programmable interrupt generator for free-fall and motion detection
- Embedded temperature sensor
- Embedded FIFO
- ECOPACK® RoHS and "Green" compliant
Aplicaciones
- GPS navigation systems
- Impact recognition and logging
- Gaming and virtual reality input devices
- Motion activated functions
- Intelligent power saving for handheld devices
- Vibration monitoring and compensation
- Free-fall detection
- 6D orientation detection
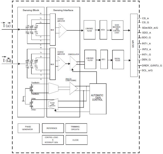
Block Diagram
Publicado: 2014-03-13
| Actualizado: 2024-02-16
