STMicroelectronics EVAL-L99SM81V Evaluation Board
STMicroelectronics EVAL-L99SM81V Evaluation Board is designed to drive a bipolar stepper motor in micro-stepping mode together with coil voltage measurement for stall detection. This evaluation board consists of a motherboard and a daughterboard featuring L99SM81V stepper motor driver. Both evaluation boards provide electronic control modules with enhanced power management power supply functionalities including one standby mode. The motherboard based on SPC56 microcontroller provides the logic section for monitoring and driving the L99SM81V assembled on the daughterboard. The STMicroelectronics EVAL-L99SM81V Evaluation Board also provides MOSFET reverse battery protection, with the possibility to replace it with two diodes through dedicated jumper configuration, and ISO pulse protection.Features
- Bipolar stepper motor driving through the L99SM81V device
- MOSFET reverse battery protection, with the possibility to replace it with two diodes through dedicated jumper configuration
- ISO pulse protection (could not be soldered)
- Normally powered at 12V through specific daughter board connector
- Possibility to solder output capacitors at the motor terminals
- L99SM81V internal 5V linear voltage regulator output connector available on the daughter board
- The motherboard allows selecting the digital power supply of the L99SM81V between 5V and 3.3V through a dedicated jumper
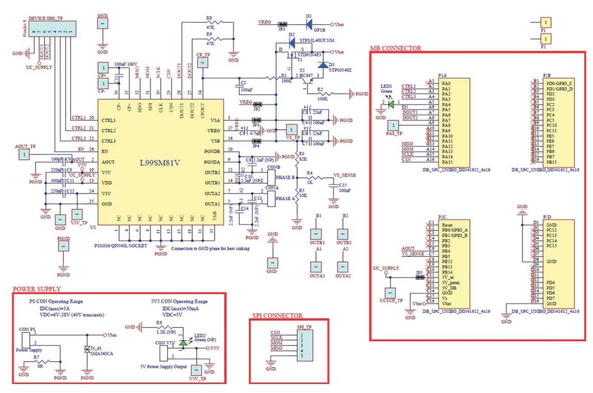
EVAL-L99SM81V Schematic
Publicado: 2018-11-27
| Actualizado: 2023-02-23
