Skyworks Solutions Inc. SKY66407-11EK1 Evaluation Board

Skyworks Solutions Inc. SKY66407-11EK1 Evaluation Board provides a demonstration platform for testing the performance of the SKY66407-11 BLUETOOTH® Front-End Module. The board from Skyworks Solutions is optimized for evaluation, experimentation, and investigation with a Bluetooth Low Energy (BLE) or IEEE 802.15.4 Low-Rate Wireless Personal Area Network (LR-WPAN) signal source. The design and layout can be quickly and easily transferred into a production design.

Features

  • Pre-mounted SKY66407-11 front-end module
  • 2x 50Ω SMA connectors
  • 12-position header
  • Compact PCB

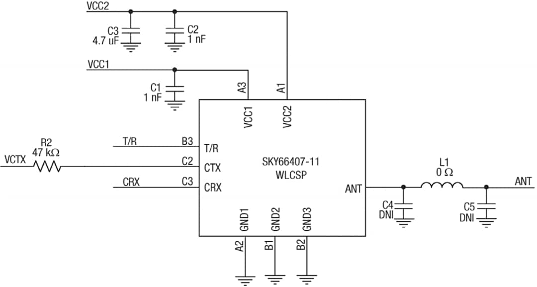
Reference Design Schematic

Schematic - Skyworks Solutions Inc. SKY66407-11EK1 Evaluation Board

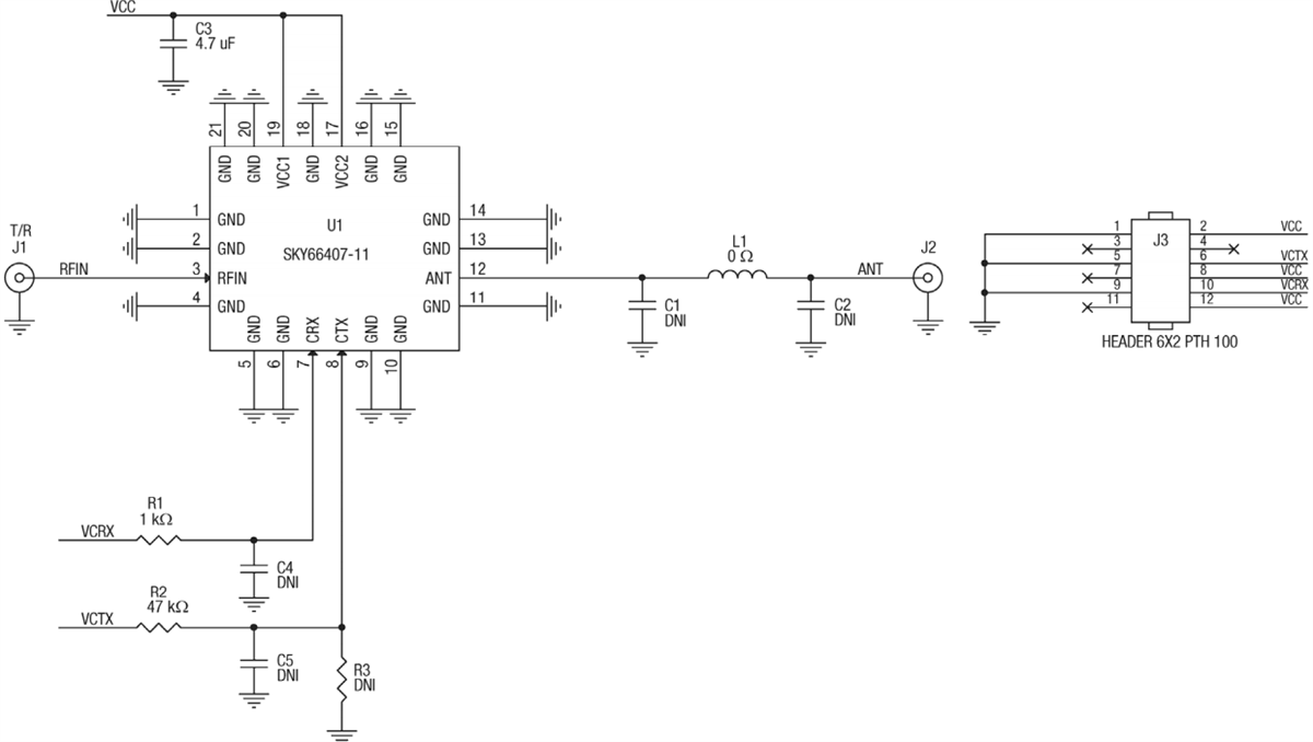
Evaluation Board Schematic

Schematic - Skyworks Solutions Inc. SKY66407-11EK1 Evaluation Board
Publicado: 2019-09-18 | Actualizado: 2024-02-01