Semtech RClamp®10022PWQ Transient Voltage Suppressor (TVS)

Semtech RClamp®10022PWQ Transient Voltage Suppressor (TVS) is designed for ESD protection of 100BASE-T1 and 1000BASE-T1 interfaces in automotive environments. This two-line suppressor utilizes silicon avalanche technology for excellent ESD and TLP clamping performance. Semtech RClamp10022PWQ TVS offers a ±15kV contact rating, ±25kV air discharge protection per IEC 61000-4-2, and a maximum capacitance rating of 0.6pF. The RClamp10022PWQ TVS meets Open Alliance standards for 10BASE-T1S, 100BASE-T1, and 1000BASE-T1 applications, ensuring reliable Ethernet connectivity for Advanced Driver Assistance Systems (ADAS) and autonomous driving.

Features

  • Open Alliance compliant
  • Qualified to AEC-Q100
  • Solid-state silicon-avalanche technology
  • Side wettable flanks
  • Package design optimized for easy layout

Applications

  • 2.5G/5G/10GBASE-T1
  • Open Alliance 100/1000BASE-T1 Ethernet
  • Automotive in-vehicle network lines

Specifications

  • ESD per IEC 61000-4-2
    • ±15kV for contact
    • ±25kV for air
  • ESD per ISO 10605
    • ±30kV for contact and air
    • ±15kV for contact
  • ±15kV per 1000 contact discharges
  • 0.6pF maximum capacitance rating
  • 100V minimum TVS trigger voltage
  • 30V TVS working voltage
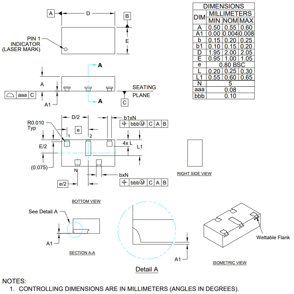
  • 2mm x 1mm x 0.55mm DFN package
  • Lead-free lead finish

Wettable Flank Package

Mechanical Drawing - Semtech RClamp®10022PWQ Transient Voltage Suppressor (TVS)

Circuit Diagram

Semtech RClamp®10022PWQ Transient Voltage Suppressor (TVS)

Dimensions Drawing

Mechanical Drawing - Semtech RClamp®10022PWQ Transient Voltage Suppressor (TVS)

Videos

Publicado: 2025-02-24 | Actualizado: 2025-07-16