Semtech GS3241 3G-SDI Re-timing Adaptive Cable Equalizer
Semtech GS3241 3G-SDI Re-timing Adaptive Cable Equalizer is a low-power and multi-rate re-timing device. Semtech GS3241 is designed to equalize and restore signals, compensate for DC content of SMPTE pathological signals, and re-time the incoming data. The integrated eye monitor provides a non-disruptive mission mode analysis and the 256 x 128 resolution scan matrix allows accurate signal analysis. This equalizer includes built-in macros that enable customizable cross-section analysis and quick horizontal and vertical eye-opening measurements. The GS3241 is pin-compatible with the GS12141, GS12241 single input, and GS12142 dual input 12G UHD-SDI multi-rate re-timing cable equalizers. This GS3241 equalizer finds its applications in cameras, switchers, distribution amplifiers, and routers.Features
- 75Ω cable input interface with on-chip termination
- SMPTE ST 424, ST 292-1, and ST 259 compliant input/output
- Multi-standard operation from 1Mb/s to 2.97Gb/s
- In addition to standard SMPTE rates, the device also supports re-timing of DVB-ASI at 270Mb/s and MADI at 125Mb/s
- 3D input signal eye monitor
- PRBS generator and checker
- Automatic cable equalization—typical equalized cable lengths of Belden 1694A cable:
- 190m at 2.97Gb/s
- 260m at 1.485Gb/s
- 450m at 270Mb/s and 125Mb/s
- Cable equalizer features:
- Automatic power down on loss of signal
- Programmable carrier detect with squelch threshold adjustment
- Programmable launch swing compensation for non-compliant source
- Manual and automatic cable equalizer bypass
- Trace driver features:
- Integrated 100Ω, differential output termination
- Extends output DC-coupling support with 1.2V to 2.5V output supply range
- Trace driver data output pre-emphasis to compensate for up to 60” FR4 at 2.97Gb/s
- Manual or automatic re-timer bypass
- Manual or automatic mute or disable on LOS
- CDR features:
- Manual or automatic rate modes
- Wide Loop bandwidth control
- Re-timing at the following data rates: 125Mb/s, 270Mb/s, 1.485Gb/s, and 2.97Gb/s—this includes the f/1.001 rates
Applications
- Cameras
- Switchers
- Distribution amplifiers
- Routers
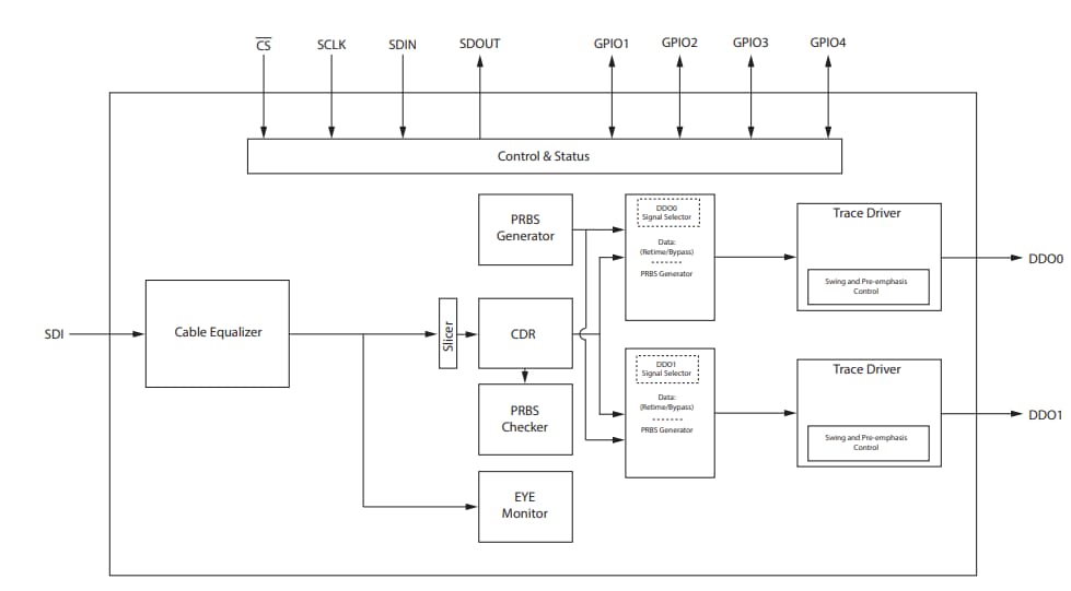
Functional Block Diagram
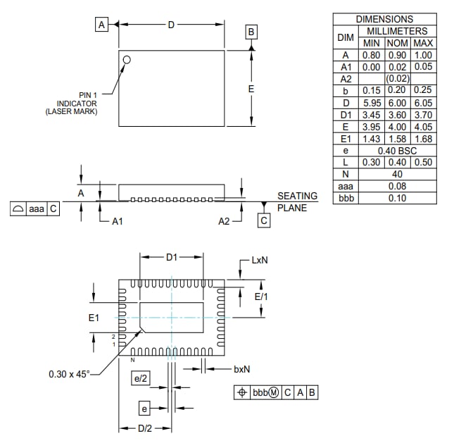
Dimensions
Publicado: 2019-10-10
| Actualizado: 2023-06-15
