Analog Devices Inc. Placa de evaluación EV-ADF4382A
La placa de evaluación EV-ADF4382A de Analog Devices está diseñada para evaluar el sintetizador de frecuencia ADF4382A con un oscilador controlado por voltaje (VCO) integrado para bucles de bloqueo de fase (PLL). Esta placa cuenta con una interfaz USB, conectores de alimentación, un oscilador de referencia integrado, rutas de calibración del retraso de propagación y conectores Sub-Miniature Version A (SMA). La salida de la placa de evaluación EV-ADF4382A está acoplada a CA con líneas de transmisión de 50Ω, adecuadas para alimentar instrumentos con impedancia de 50Ω. Esta placa de evaluación es ideal para pruebas y mediciones, sincronización de convertidores de datos de alto rendimiento e infraestructura inalámbrica y (MC-GSM, 5 G y 6 G).Características
- Placa de evaluación autónoma, que incluye el sintetizador de frecuencia ADF4382A con VCO integrado, filtro de bucle, interfaz USB, oscilador de referencia integrado, rutas de calibración del retraso de propagación y reguladores de voltaje
- El software basado en Windows® permite el control de las funciones del sintetizador desde un PC
- Alimentada externamente por 6 V
Aplicaciones
- Reloj de conversión de datos de alto rendimiento
- Infraestructura inalámbrica (MC-GSM, 5 G y 6 G)
- Pruebas y mediciones
Equipo necesario
- PC basado en Windows con puerto USB™ para el software de evaluación
- Plataforma de demostración del sistema, placa controladora EVAL-SDP-CS1Z solo en serie (SDP-S)
- Fuente de alimentación de 6 V
- Analizador de espectro o analizador de ruido de fase
- Terminadores de 50 Ω
- Fuente de referencia de entrada de bajo ruido (REFIN) (opcional)
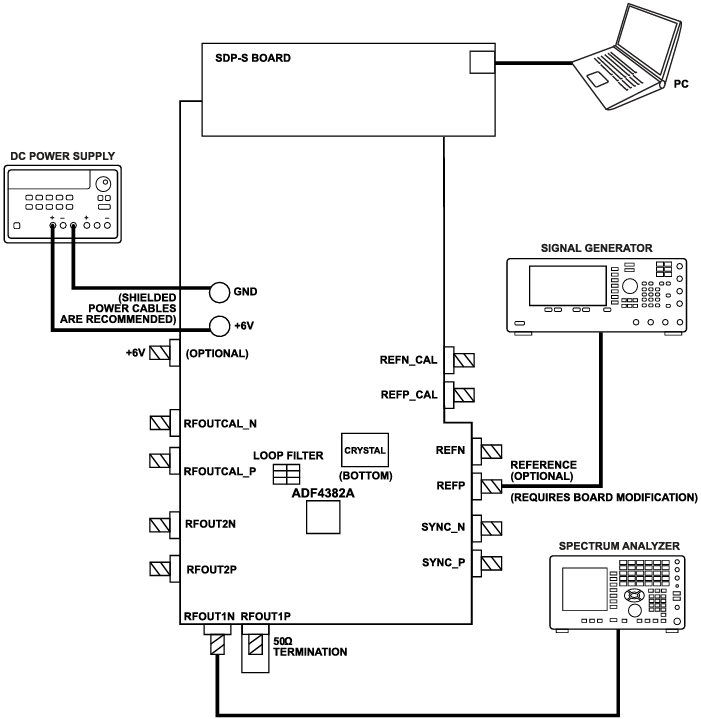
Diagrama de configuración de la placa de evaluación
Publicado: 2024-02-05
| Actualizado: 2024-07-05
