ROHM Semiconductor BP35C5 Wi-SUN Module
ROHM Semiconductor BP35C5 Wi-SUN Module is an ultra-compact (15.0mm x 19.0mm) wireless communication module. The BP35C5 makes it possible to build a mesh network of up to 1000 units. It's possible to build a remote management system that covers the entire city if wireless communication equipment is installed in a social infrastructure like traffic lights and street lights. The BP35C5 has been certified by the Radio Law of ARIB and FCC. It can be used in Japan and the United States. A built-in security function supports communication encryption and security key update on the module side. The module can easily perform secure communication without complicated control.Features
- Enables configuration of 1,000-device Sub-GHz mesh networks
- Supports large-scale mesh networks ideal for smart cities
- Sub-GHz wireless provides long-distance communication with low power consumption
- Robust transmission Achieves high-reliability wireless communication
- Integrated automatic communication path and channel hopping functions ensure stable, high-reliability wireless transmission
- Certified modules allow for quick and easy development
- Certification under both "Wi-SUN” and "FCC & Japan Radio Law" significantly reduces customer development load, enabling immediate evaluation with comprehensive support
- Wi-SUN FAN certified
- Supports multi-hop mesh network
- Supports channel hopping
- Supports high data rates
- RF designed
- Antenna terminal 50Ω impedance adjusted
- Transmission output power adjusted
- Built-in Wi-SUN FAN software stack
Resources
Videos
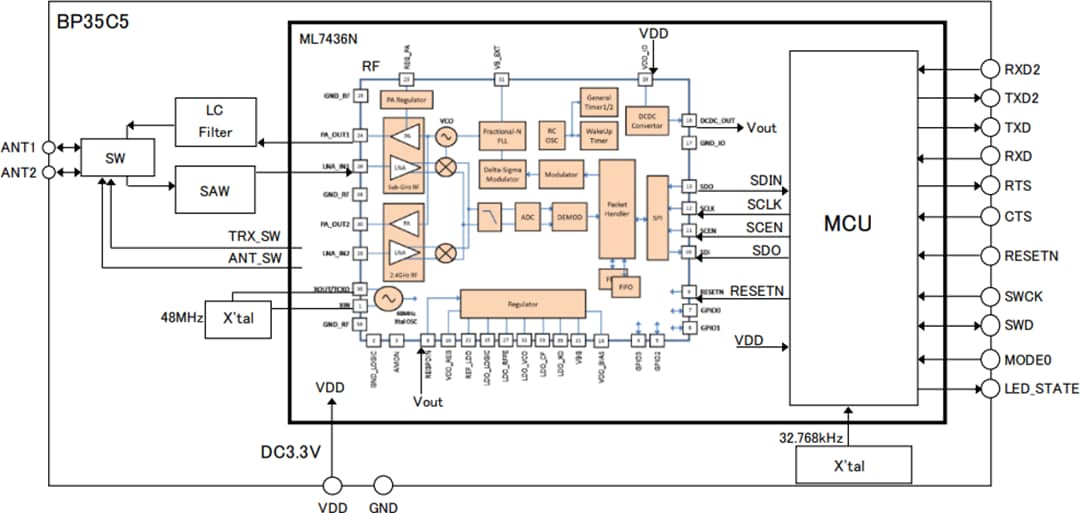
Block Diagram
Package Outline
Publicado: 2021-02-09
| Actualizado: 2022-12-23
