ROHM Semiconductor BM624xFS 3-Phase Fan Motor Drivers
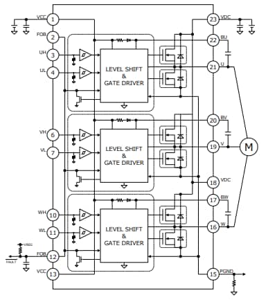
ROHM Semiconductor BM624xFS 3-Phase Fan Motor Drivers are brushless drivers that come with a built-in 600V PrestoMOSFET™ as the output transistor. This motor driver features bootstrap operation by a floating high-side driver that includes the diode. The ROHM Semiconductor BM624xFS motor driver incorporates built-in protection circuits for overcurrent, overheating, under-voltage lockout, and external fault input. These motor drivers provide an optimum motor drive system for a wide variety of applications by combination with BD6201x controllers and enable motor unit standardization. Typical applications include air conditioners, air purifiers, water pumps, dishwashers, and washing machines.Features
- Protection Circuits Provided
- Over-Current Protection (OCP)
- Thermal Shutdown protection (TSD)
- Under Voltage Lockout protection (UVLO)
- External fault input
- Adopts built-in PrestoMOSFET as the output transistor
- Bootstrap operation by floating high side driver that includes diode
- Open drain fault output
Specifications
- 600V output MOSFET voltage
- ±1.5A (maximum) driver output current (DC)
- 2.7Ω (typical) output MOSFET DC ON resistance
- 180° sinusoidal drive type
- +150°C (maximum) junction temperature
- SSOP-A54_23 package with 22mm x 14.1mm x 2.4mm dimensions
Block Diagram
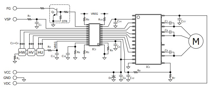
Application Circuit Diagram
Publicado: 2020-04-14
| Actualizado: 2024-09-26
