ROHM Semiconductor BD630xx 3-Phase Brushless Motor Drivers
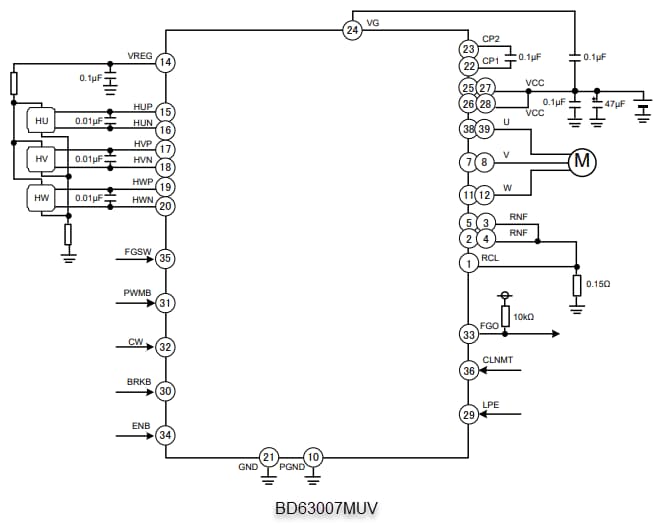
ROHM Semiconductor BD630xx 3-Phase Brushless Motor Drivers come with hall sensors that generate PWM driving signals. These motor drivers offer Frequency Generator (FG) output and feature various control and protection circuits. The BD630xx motor drivers from ROHM Semiconductor are available in two variants, the BD63007MUV and BD63015EFV drivers.The BD63007MUV driver employs a 120° commutation logic circuit and offers a low ON resistance DMOS output. This driver provides Clockwise (CW)/Counter-Clockwise (CCW) function and short brake function.
The BD63015EFV driver is a sinusoidal motor driver that uses the input DC voltage signal to control the rotation speed. This driver is available in a small HTSSOP-B20 package that is suitable for small diameter motor modules.
Features
- BD63007MUV Motor Driver
- Built-in 120° commutation logic circuit
- PWM control mode (low sidearm switching)
- Built-in power-saving circuit
- CW/CCW function
- Short brake function
- FG output (1FG/3FG conversion)
- BD63015EFV Motor Driver
- Sinusoidal drive
- FG output (3FG)
- Built-in HALL Error Protection Circuit (HALLERR)
- Input DC voltage signal/power voltage controls the rotation speed
- Hall sensors generate PWM driving signals
- Low ON resistance DMOS output
- Built-in Current Limit circuit (CL)
- Built-in Thermal Shut Down circuit (TSD)
- Built-in Over Current Protection circuit (OCP)
- Built-in Under Voltage Lock Out circuit (UVLO)
- Built-in Over Voltage Lock Out circuit (OVLO)
- Built-in Motor Lock Protection circuit (MLP)
Applications
- BD63007MUV Driver
- OA machines
- Consumer products
- BD63015EFV Driver
- Different types of air conditioning fan motors
- Different types of cooler fan motors
Specifications
- BD63007MUV Driver
- 33V power supply voltage rating
- 3A output continuous current rating
- 0.17Ω typical output ON resistance (top and bottom total)
- -25°C to +85°C operating temperature range
- VQFN040V6060 package with 6mm x 6mm x 1mm dimensions
- BD63015EFV Driver
- 36V power supply voltage rating
- 1.5A output continuous current rating
- 0.6Ω typical output ON resistance (top and bottom total)
- -40°C to +105°C operating temperature range
- HTSSOP-B20 package with 6.5mm x 6.4mm x 1mm dimensions
Publicado: 2020-04-14
| Actualizado: 2024-09-26
