ROHM Semiconductor BD34302EKV MUS-IC™ Series 32-Bit Stereo Audio DAC

ROHM Semiconductor BD34302EKV MUS-IC™ Series 32-Bit Stereo Audio DAC is developed for high-quality audio that integrates ROHM's exceptional sound quality design technology. The DWA enhances THD performance and supplies higher resolution and better natural sound quality with HD (High-Definition) monaural mode. Additionally, the ROHM BD34302EKV has an automatic mode-switching function that allows users to easily switch between PCM/DSD and different sampling frequencies.

Features

  • MUS-IC series
  • SNR 130dB (Typ), THD+N -115dB (typ)
  • Sampling frequency 32kHz to 1536kHz
  • DSD 2.8MHz, 5.6MHz, 11.2MHz and 22.5MHz
  • Supports Stereo Mode (2ch), Monaural Mode (1ch), and HD (High Definition) Monaural Mode (1ch)
  • 2 types of digital FIR filters
  • 2 types of DWA algorithms
  • Automatic mode switching
  • Multi-bit ΔΣ data input support
  • 4 selectable device addresses (38h/3Ah/3Ch/3Eh)
  • HTQFP64BV 12.0mm x 12.0mm x 1.0mm package

Applications

  • Smart speakers
  • High-resolution audio
  • CD/SACD player
  • Digital Audio Player (DAP)
  • USB-DAC and others

Specifications

  • 4.5V to 5.5V supply voltage range of AVCC
  • 1.4V to 1.6V supply voltage range of DVDD
  • 3.0V to 3.6V supply voltage range of DVDDIO
  • 130dB (Typ) SNR
  • -115dB (Typ) THD+N
  • 130dB (Typ) dynamic range
  • -40°C to +85°C operation temperature range

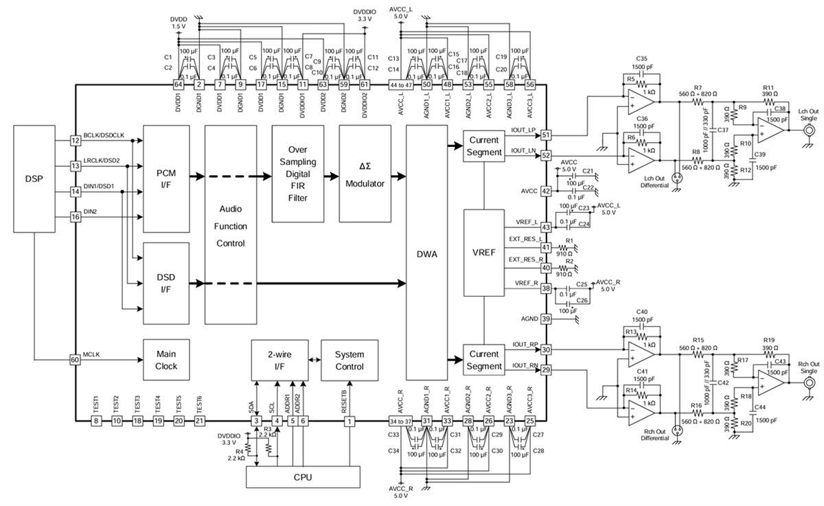
Typical Application Circuit

Application Circuit Diagram - ROHM Semiconductor BD34302EKV MUS-IC™ Series 32-Bit Stereo Audio DAC

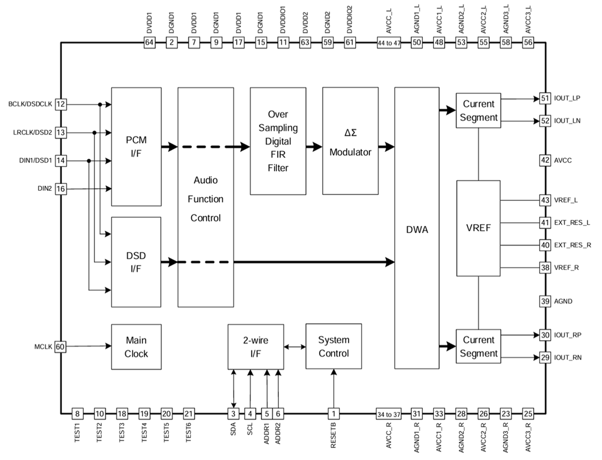
Block Diagram

Block Diagram - ROHM Semiconductor BD34302EKV MUS-IC™ Series 32-Bit Stereo Audio DAC
Publicado: 2025-01-06 | Actualizado: 2025-07-17