Renesas Electronics RC22112A FemtoClock™ Clock Generator

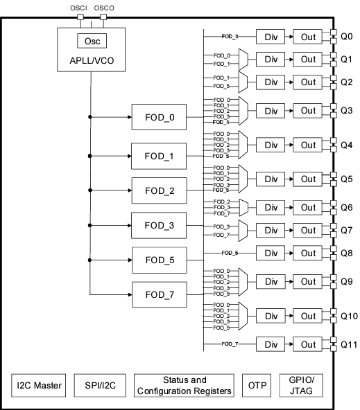
Renesas Electronics RC22112A FemtoClock™ Clock Generator is a fully integrated, low-power, high-performance clock generator. This generator features PCIe Gen 1-6 CC, SRIS, SRNS support, and less than 100fs-RMS low jitter. The RC22112A generator supports 1MHz I2C, 400kHz SMBus, or 50MHz SPI serial port, up to six fractional output dividers, and 12 integer output dividers. This clock generator provides reference clocks for high-speed serial links up to 28Gbps Ethernet in fabric cards in data center equipment. Typical applications include switches/routers, clock generation for 10Gbps/25Gbps/40Gbps/100Gbps/200Gbps/400Gbps Ethernet PHYs in switch fabric cards, medical imaging, and professional audio and video.

Features

  • Low power, less than 1.4W typical
  • Low jitter, less than 100fs-RMS
  • PCIe Gen 1-6 CC, SRIS, and SRNS support
  • Up to six fractional output dividers and 12 integer output dividers
  • Each fractional output divider is free-run and locked to APLL
  • Each fractional output divider can be configured as NCO or DCO
  • LVCMOS, LVPECL, LVDS, HCSL, CML, SSTL, and HSTL output modes supported with programmable output swing and common mode voltage
  • One crystal/XO input
  • Up to nine GPIO pins programmable to device select or system monitor options
  • Supports 1MHz I2C, 400kHz SMBus, or 50MHz SPI serial port
  • Internal non-volatile memory (up to 16 different configurations), or external serial I2C EEPROM provides default device settings on power-up
  • 2.5V and 3.3V core and 1.8V, 2.5V, and 3.3V output operation
  • -40° to 85°C industrial operation temperature range

Applications

  • Switches/routers
  • Clock generation for 10Gbps/25Gbps/40Gbps/100Gbps/200Gbps/400Gbps Ethernet PHYs in switch fabric cards
  • Medical imaging
  • Professional audio and video

Block Diagram

Block Diagram - Renesas Electronics RC22112A FemtoClock™ Clock Generator

Application Diagram

Application Circuit Diagram - Renesas Electronics RC22112A FemtoClock™ Clock Generator
Publicado: 2023-05-02 | Actualizado: 2023-09-01