Renesas Electronics RAA271082 Power Management IC (PMIC)
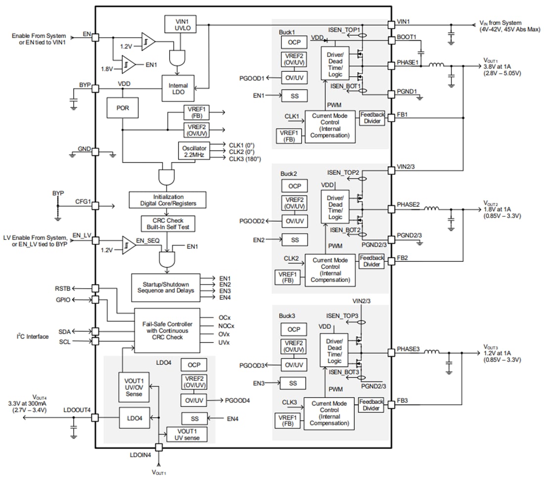
Renesas Electronics RAA271082 Power Management IC (PMIC) is a versatile multi-rail power IC comprising a primary high-voltage synchronous buck regulator, an LDO regulator, and two secondary low-voltage synchronous buck regulators. The Renesas PMIC offers four undervoltage and overvoltage monitors, a general-purpose I/O pin, I2C communications, and a dedicated reset output/fault indicator. The RAA271082 meets ASIL-B device metrics, being designed using an ASIL-D ISO 26262 development process. The RAA271082 includes built-in self-test at power-up, independent OV/UV monitoring, a second bandgap reference for the OV/UV monitors, and continuous CRC error checking on I2C communications and internal registers.The RAA271082 provides a high-density power solution requiring minimal board space and few external components. It offers an extensive feature set configured using internal One-Time Programmable (OTP) memory. Nearly all device options, such as the power sequencing each output voltage selection and the OV/UV thresholds, require no external components for selection and are internally configured. The regulators offer internal compensation. The bucks can operate in harsh environments requiring high ambient temperatures and are synchronous to achieve high efficiency.
The Renesas Electronics RAA271082 has an exposed pad for improved thermal performance and is available in a 4mm x 4mm 24-lead Step Cut QFN (SCQFN) package. This PMIC operates across an ambient temperature range of -40°C to +125°C and is AEC-Q100 qualified to Grade 1. The device is electrically specified across a junction temperature range of -40°C to +150°C.
Features
- ASIL-D ISO 26262 development process
- VIN operating range from 4.0V to 42V, with a start range of 4.5V to 42V
- 2.2MHz fixed switching frequency with optional pseudo-random spread spectrum
- Three synchronous bucks with internal compensation and one LDO
- Buck 1 output range of 2.8V to 5.05V, up to 1A
- Buck 2/3 output range of 0.85V to 3.3V, up to 1A
- LDO 4 output range of 2.7V to 3.4V, up to 300mA
- OTP UV/OV thresholds of ±4%, ±6%, ±8%, and ±12%
- OTP power up/down sequence and delay
- Optional output discharge on Buck 2, Buck 3, and LDO 4
- Configurable GPIO pin
- Dual EN pins
- Protection features
- Input voltage UVLO
- Output OV/UV
- Overcurrent protection on internal and output LDOs
- Over-temperature shutdown
- Functional safety features
- Built-in Self Test (BIST) at power-up
- Dual bandgap/reference chains
- Independent UV/OV sense path for Buck 1 output
- Configurable Window Watchdog Timer (WWDT)
- Continuous CRC checking of OTP shadow registers
- CRC-protected I2C communication
- Configurable fault manager
- AEC-Q100 qualified, Grade 1 [-40°C to +125°C (TJ = 150°C)]
Applications
- Driver monitoring cameras
- Rear and surround view HD automotive cameras
- Microcontroller PMICs for battery management systems
- Microcontroller PMICs for zone and domain controllers
- Microcontroller PMICs for gateway units
Block Diagram
