Renesas Electronics R2A25110KSP Intelligent Power Device
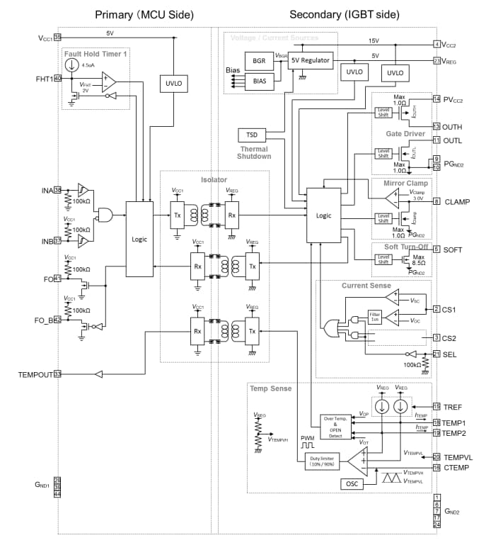
Renesas Electronics R2A25110KSP Intelligent Power Device is designed for IGBT gate-drive in a high voltage inverter application. The Micro Isolator with the coreless transformer configuration is implemented for data transfer with high voltage isolation between the primary circuit (MCU side) and the secondary circuit (IGBT side).The Renesas R2A25110KSP intelligent power device incorporates an IGBT gate drive circuit, Miller clamp circuit, soft turn-off circuit, and several types of protection circuits, such as IGBT temperature detection. Furthermore, the R2A25110KSP supports driving parallel IGBTs.
Features
- On-chip Micro Isolator (isolated circuit)
- High voltage isolation of 2500VRMS
- High Common Mode Rejection (CMR) over 35kV/us
- High voltage isolation of 2500VRMS
- High output gate drive circuit
- Gate drive output resistance of 1.0Ω maximum (IGBT parallel connection supported)
- On-chip active Miller clamp function
- On-chip soft turn-off function
- Operating temperature range of -40°C to +125°C (junction temperature of +150°C maximum)
- On-chip 5V regulator
- Various on-chip protection circuits
- IGBT emitter current detection circuit of 2x channels
- Over-current detection (threshold voltage: 0.25V typical), short circuit detection (threshold voltage: 0.5V typical)
- Over-current detection function can be enabled/disabled (SEL pin)
- Two channels IGBT temperature detection circuit
- On-chip under voltage lockout circuit
- VCC1 (5V system) of 4.1V typical
- VCC2 (15V system) of 10V typical
- On-chip over temperature protection circuit (+200°C)
- FAULT feedback, Adjustable FAULT hold time with the external capacitor
Applications
- Main inverters for EV/HEV in automotive applications
- Converters for EV/HEV in automotive applications
- Inverters and converters for industrial instruments
Block Diagram
Publicado: 2023-05-05
| Actualizado: 2023-06-20
